Datasheet LT3512 (Analog Devices) - 6
| 制造商 | Analog Devices |
| 描述 | Monolithic High Voltage Isolated Flyback Converter |
| 页数 / 页 | 26 / 6 — block DiagraM |
| 文件格式/大小 | PDF / 315 Kb |
| 文件语言 | 英语 |
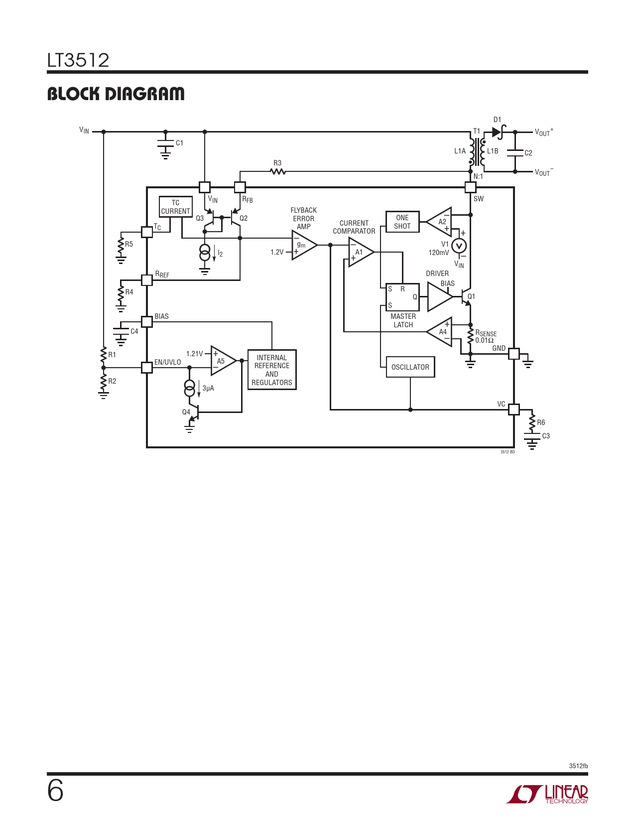
block DiagraM

该数据表的模型线
文件文字版本
LT3512
block DiagraM
D1 VIN T1 V + OUT C1 L1A L1B C2 R3 V – OUT N:1 VIN RFB SW TC CURRENT FLYBACK Q3 Q2 ERROR ONE – T A2 C AMP CURRENT SHOT COMPARATOR + – + R5 gm – V1 I 1.2V + 2 A1 120mV + – VIN R DRIVER REF BIAS R4 S R Q Q1 S BIAS MASTER LATCH + C4 A4 RSENSE – 0.01ΩGND R1 1.21V + INTERNAL EN/UVLO REFERENCE –A5 OSCILLATOR AND R2 REGULATORS 3µA VC Q4 R6 C3 3512 BD 3512fb 6 Document Outline Features Applications Description Typical Application Absolute Maximum Ratings Pin Configuration Order Information Electrical Characteristics Typical Performance Characteristics Pin Functions Block Diagram Operation Applications Information Typical Applications Package Description Revision History Typical Application Related Parts