Datasheet LYTSwitch-6 (Power Integrations) - 2
| 制造商 | Power Integrations |
| 描述 | Flyback CV/CC LED Driver IC with Integrated 650 V / 725 V MOSFET and FluxLink Feedback |
| 页数 / 页 | 32 / 2 — LYTSwitch-6. DRAIN. INPUT. PRIMARY BYPASS. (D). OVERVOLTAGE (V). (BPP). … |
| 修订版 | E |
| 文件格式/大小 | PDF / 3.2 Mb |
| 文件语言 | 英语 |
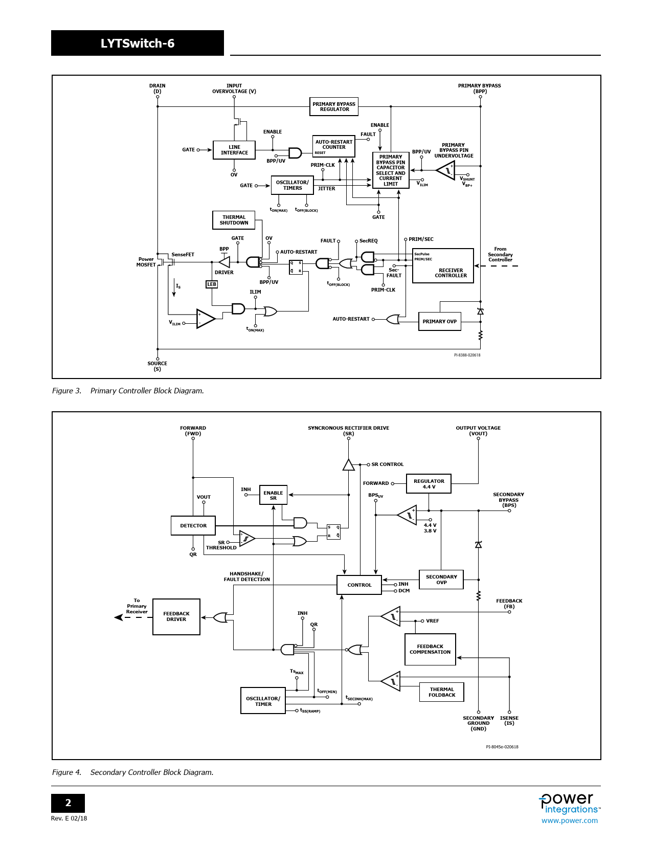
LYTSwitch-6. DRAIN. INPUT. PRIMARY BYPASS. (D). OVERVOLTAGE (V). (BPP). REGULATOR. ENABLE. FAULT. AUTO-RESTART. PRIMARY. GATE. LINE. COUNTER

文件文字版本
LYTSwitch-6 DRAIN INPUT PRIMARY BYPASS (D) OVERVOLTAGE (V) (BPP) PRIMARY BYPASS REGULATOR ENABLE ENABLE FAULT AUTO-RESTART PRIMARY GATE LINE COUNTER BYPASS PIN INTERFACE RESET BPP/UV UNDERVOLTAGE PRIMARY BPP/UV PRIM-CLK BYPASS PIN + CAPACITOR OV SELECT AND - CURRENT VSHUNT OSCILLATOR/ LIMIT V GATE V TIMERS ILIM JITTER BP+ tON(MAX) tOFF(BLOCK) THERMAL GATE SHUTDOWN GATE OV PRIM/SEC FAULT SecREQ BPP AUTO-RESTART From SecPulse SenseFET Secondary Power PRIM/SEC Controller MOSFET Q S DRIVER Q R Sec- RECEIVER FAULT CONTROLLER BPP/UV I t LEB OFF(BLOCK) S ILIM PRIM-CLK + AUTO-RESTART V - PRIMARY OVP ILIM tON(MAX)
PI-8388-020618
SOURCE (S)
Figure 3. Primary Control er Block Diagram.
FORWARD SYNCRONOUS RECTIFIER DRIVE OUTPUT VOLTAGE (FWD) (SR) (VOUT) SR CONTROL FORWARD REGULATOR INH 4.4 V ENABLE BPS SECONDARY VOUT SR UV BYPASS (BPS) + - DETECTOR 4.4 V S Q 3.8 V
+
R Q SR THRESHOLD QR HANDSHAKE/ SECONDARY FAULT DETECTION CONTROL INH OVP DCM To FEEDBACK Primary (FB) Receiver FEEDBACK INH + DRIVER - VREF QR FEEDBACK COMPENSATION TsMAX + - t THERMAL OFF(MIN) t FOLDBACK OSCILLATOR/ SECINH(MAX) TIMER tSS(RAMP) SECONDARY ISENSE GROUND (IS) (GND)
PI-8045e-020618 Figure 4. Secondary Control er Block Diagram.
2
Rev. E 02/18 www.power.com Document Outline Product Highlights Description Output Power Table Pin Functional Description LYTSwitch-6 Functional Description Primary Controller Secondary Controller Application Example Key Applications Design Considerations Primary-Side Components of LYTSwitch-6 Secondary-Side Components of f LYTSwitch-6 Recommendations for Circuit Board Layout Recommended Position of InSOP-24D Package with Respect to Transformer Quick Design Checklist Other Applications Design Example PCB Layout Example Absolute Maximum Ratings Thermal Resistance Key Electrical Characteristics Typical Performance Curves InSOP-24D Package Drawing MSL Table ESD and Latch-Up Table Part Ordering Information