数据表
更多
Only-Datasheet.com
关于我们
合作
广告
联络人
en - English
ru - Русский
de - Deutsch
es - Espanol
搜索
数据表
Datasheet OP400 (Analog Devices)
Datasheet OP400 (Analog Devices) - 8
制造商
Analog Devices
描述
Low Offset, Low Power Quad Op Amp
页数 / 页
12
/
8
— STANDARD. 5962-87771. MICROCIRCUIT DRAWING
文件格式/大小
PDF
/
81 Kb
文件语言
英语
STANDARD. 5962-87771. MICROCIRCUIT DRAWING
1
2
...
7
8
9
10
下载 PDF
1
2
...
7
8
9
10
该数据表的模型线
OP400
5962-8777101M3A
5962-8777101MCA
OP400AY
OP400EY
OP400FY
OP400GBC
OP400GP
OP400GPZ
OP400GS
OP400GS-REEL
OP400GSZ
OP400GSZ-REEL
OP400HPZ
OP400HS
OP400HS-REEL
OP400HSZ
OP400HSZ-REEL
OP400S
5962-8777101V3A
5962-8777101VCA
5962-8777101VKA
5962L8777102VKA
5962R8777101VCA
5962R8777101VKA
OP400-000C
OP400AN-EMX
文件文字版本
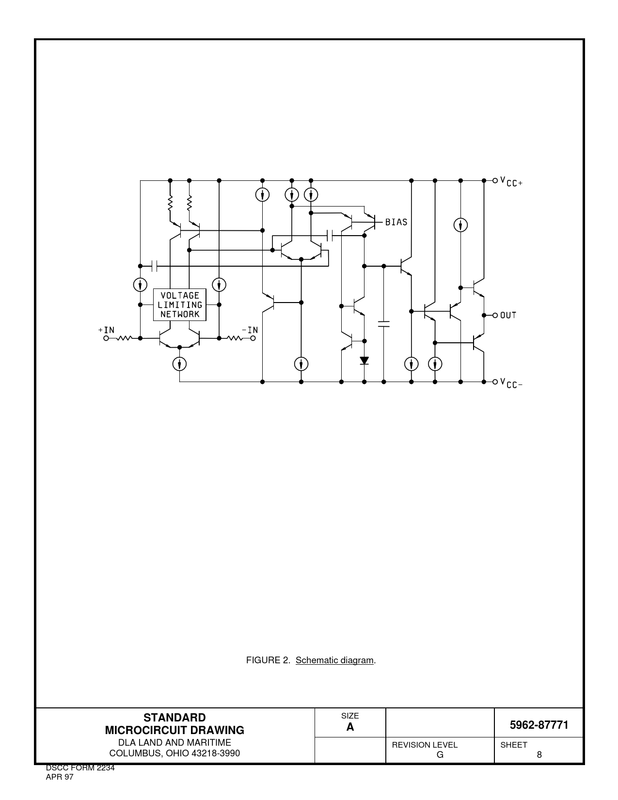
FIGURE 2. Schematic diagram.
STANDARD
SIZE
5962-87771
MICROCIRCUIT DRAWING
A
DLA LAND AND MARITIME REVISION LEVEL SHEET COLUMBUS, OHIO 43218-3990 G 8 DSCC FORM 2234 APR 97
联络人
隐私政策
更改隐私设置