Datasheet AD589 (Analog Devices) - 6

制造商Analog Devices
描述Two-Terminal IC 1.2 V Reference
页数 / 页9 / 6 — AD589. APPLICATION INFORMATION. ����. �����. ��� ���. ���. ��� ��. …
修订版C
文件格式/大小PDF / 322 Kb
文件语言英语

AD589. APPLICATION INFORMATION. ����. �����. ��� ���. ���. ��� ��. ������. ������ ������. ���� �. � �� �����

AD589 APPLICATION INFORMATION ���� ����� ��� ��� ��� ��� �� ������ ������ ������ ���� � � �� �����

该数据表的模型线

文件文字版本

AD589 APPLICATION INFORMATION ��
The AD589 functions as a 2-terminal shunt-type regulator. It
����
� provides a constant 1.23 V output for a wide range of input current from 50 A to 5 mA. Figure 5 shows the simplest con-
�� ���� ����
� fi guration for an output voltage of 1.2 V or less. Note that no
����� �� ����
frequency compensation is required. If additional fi ltering is � desired for ultralow noise applications, minimum recommended
����
capacitance is 1000 pF.
��� ��� �� ����
� a. With 7109 12-Bit Binary ADC
�� ����� ��� ����
� �
���� �� ���� ���

�����
Figure 5. Basic Confi guration for 1.2 V or Less
��

��� ��
The AD589 can also be used as a building block to generate
��� ��
other values of reference voltage. Figure 6 shows a circuit that
������
produces a buffered 10 V output. Total supply current for this circuit is approximately 2 mA.
�����
b. With 7107 Panel Meter ADC
���
Figure 7. AD589 Used as Reference for CMOS ADCs

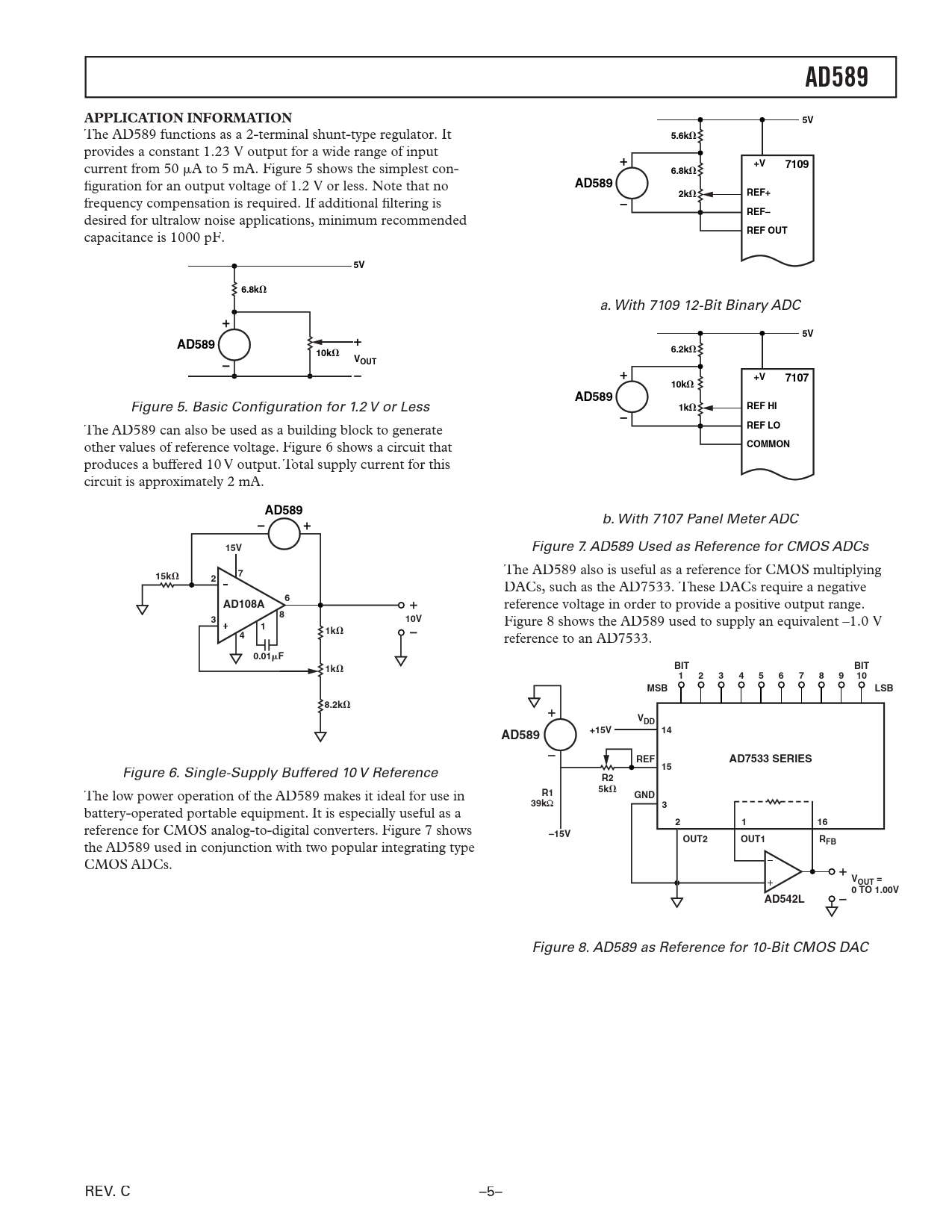
The AD589 also is useful as a reference for CMOS multiplying
���


DACs, such as the AD7533. These DACs require a negative
������
reference voltage in order to provide a positive output range.
���
Figure 8 shows the AD589 used to supply an equivalent –1.0 V
��
� reference to an AD7533.
����

��

��� ��� �� ��� ��� ����

��� ����� ���� �� ��� ������ ������
Figure 6. Single-Supply Buffered 10 V Reference
�� ��
The low power operation of the AD589 makes it ideal for use in
��

�� ��� ���
W battery-operated portable equipment. It is especially useful as a

reference for CMOS analog-to-digital converters. Figure 7 shows
�� ����
the AD589 used in conjunction with two popular integrating type
���� ���� ���
CMOS ADCs.
���� � � �� ����� ������
Figure 8. AD589 as Reference for 10-Bit CMOS DAC REV. C –5– Document Outline FEATURES PRODUCT DESCRIPTION FUNCTIONAL BLOCK DIAGRAMS PRODUCT HIGHLIGHTS SPECIFICATIONS ABSOLUTE MAXIMUM RATINGS AD589 CHIP DIMENSIONS AND PAD LAYOUT ORDERING GUIDE UNDERSTANDING THE SPECIFICATIONS Voltage Variation Versus Temperature Dynamic Performance APPLICATION INFORMATION OUTLINE DIMENSIONS Revision History