Datasheet CD4098BMS (Intersil) - 2
| 制造商 | Intersil |
| 描述 | CMOS Dual Monostable Multivibrator |
| 页数 / 页 | 11 / 2 — Functional Diagram. CX1. RX1. VDD. 2 RXCX (1). +TR. -TR. MONO 1. RESET. … |
| 修订版 | 2017-12-22 |
| 文件格式/大小 | PDF / 327 Kb |
| 文件语言 | 英语 |
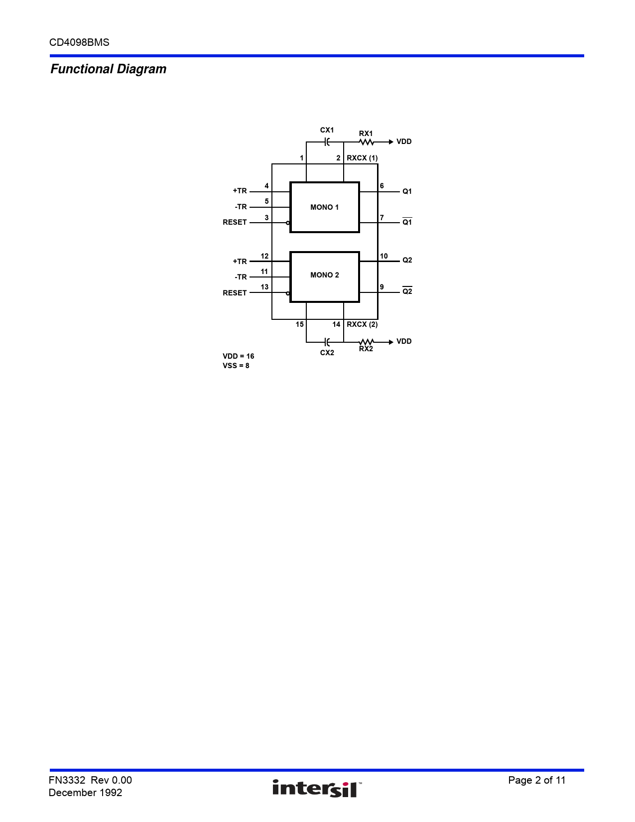
Functional Diagram. CX1. RX1. VDD. 2 RXCX (1). +TR. -TR. MONO 1. RESET. MONO 2. 14 RXCX (2). CX2. RX2. VDD = 16 VSS = 8

该数据表的模型线
文件文字版本
CD4098BMS
Functional Diagram CX1 RX1 VDD 1 2 RXCX (1) 4 6 +TR Q1 5 -TR MONO 1 3 7 RESET Q1 12 10 +TR Q2 11 MONO 2 -TR 13 9 RESET Q2 15 14 RXCX (2) VDD CX2 RX2 VDD = 16 VSS = 8
FN3332 Rev 0.00 Page 2 of 11 December 1992