Datasheet ICM7242 (Intersil) - 2
| 制造商 | Intersil |
| 描述 | Long Range Fixed Timer |
| 页数 / 页 | 11 / 2 — Functional Block Diagram. 50k. 86k. TB I/O. RESET. TRIGGER ÷2 OUT. … |
| 修订版 | 2017-11-02 |
| 文件格式/大小 | PDF / 579 Kb |
| 文件语言 | 英语 |
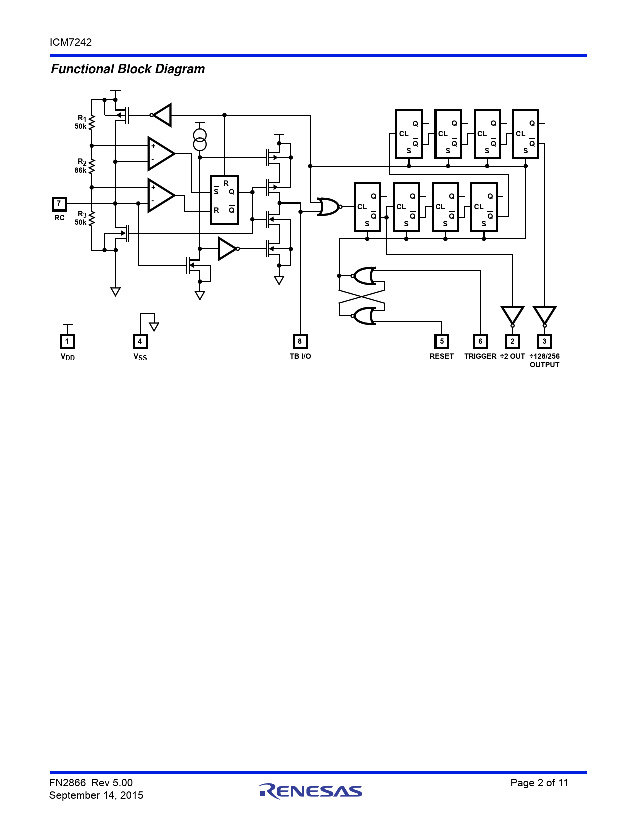
Functional Block Diagram. 50k. 86k. TB I/O. RESET. TRIGGER ÷2 OUT. ÷128/256 OUTPUT

该数据表的模型线
文件文字版本
ICM7242
Functional Block Diagram R1 50k Q Q Q Q CL CL CL CL + Q Q Q Q S S S S - R2 86k R + S Q - Q Q Q Q 7 R Q CL CL CL CL R3 RC Q Q Q Q 50k S S S S 1 4 8 5 6 2 3 V V TB I/O RESET TRIGGER ÷2 OUT DD SS ÷128/256 OUTPUT
FN2866 Rev 5.00 Page 2 of 11 September 14, 2015