Datasheet LTC4318 (Analog Devices) - 6
| 制造商 | Analog Devices |
| 描述 | Dual I2C/SMBus Address Translator |
| 页数 / 页 | 16 / 6 — block DiagraM |
| 文件格式/大小 | PDF / 225 Kb |
| 文件语言 | 英语 |
block DiagraM

该数据表的模型线
文件文字版本
LTC4318
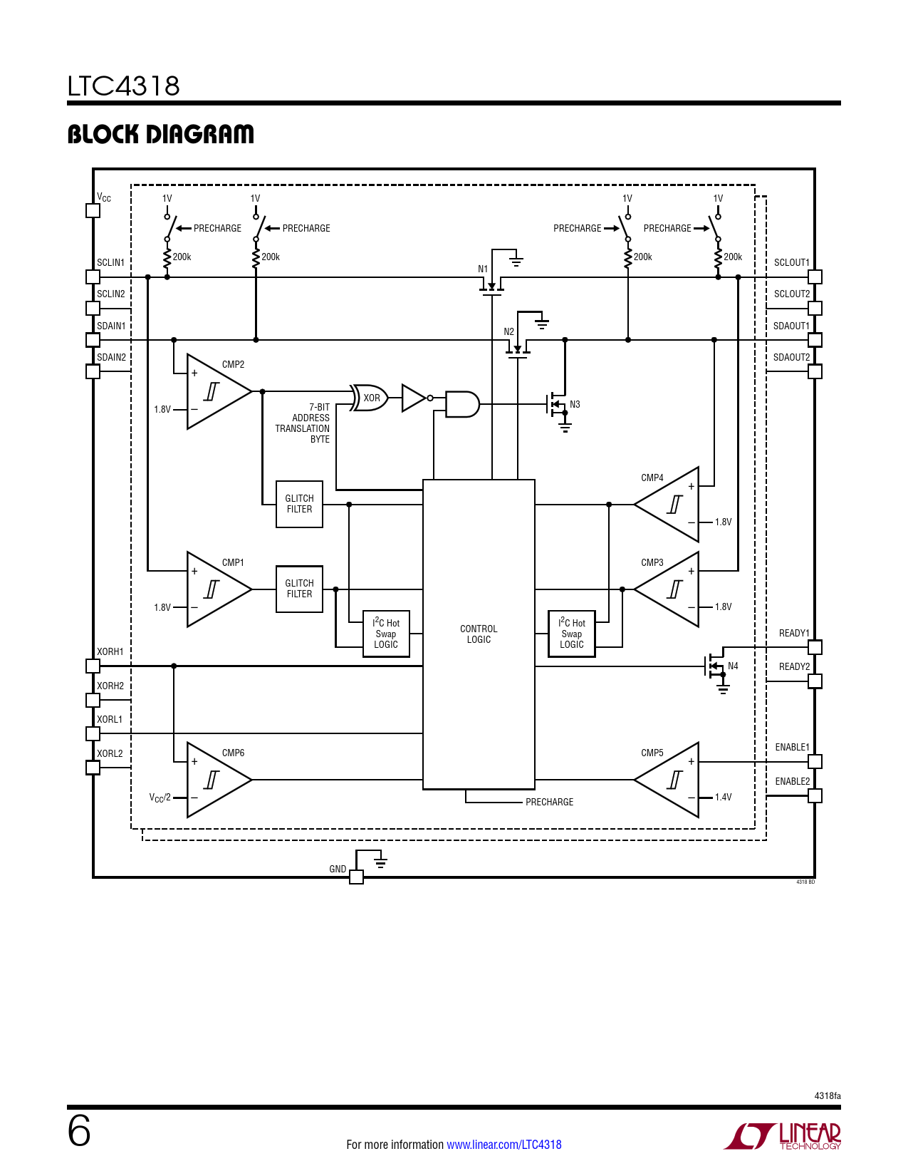
block DiagraM
VCC 1V 1V 1V 1V PRECHARGE PRECHARGE PRECHARGE PRECHARGE 200k SCLIN1 200k 200k 200k SCLOUT1 N1 SCLIN2 SCLOUT2 SDAIN1 SDAOUT1 N2 SDAIN2 SDAOUT2 CMP2 + XOR 7-BIT N3 1.8V – ADDRESS TRANSLATION BYTE CMP4 + GLITCH FILTER – 1.8V CMP1 CMP3 + + GLITCH FILTER 1.8V – – 1.8V I2C Hot I2C Hot Swap CONTROL Swap READY1 LOGIC LOGIC LOGIC XORH1 N4 READY2 XORH2 XORL1 XORL2 CMP6 CMP5 ENABLE1 + + ENABLE2 VCC/2 – PRECHARGE – 1.4V GND 4318 BD 4318fa 6 For more information www.linear.com/LTC4318