Datasheet LTC4313-1, LTC4313-2, LTC4313-3 (Analog Devices) - 6
| 制造商 | Analog Devices | 
| 描述 | 2-Wire Bus Buffers with High Noise Margin | 
| 页数 / 页 | 20 / 6 — block DiagraM. *INSIDE DASHED BOX APPLIES ONLY TO THE LTC4313-1 AND … | 
| 文件格式/大小 | PDF / 296 Kb | 
| 文件语言 | 英语 | 
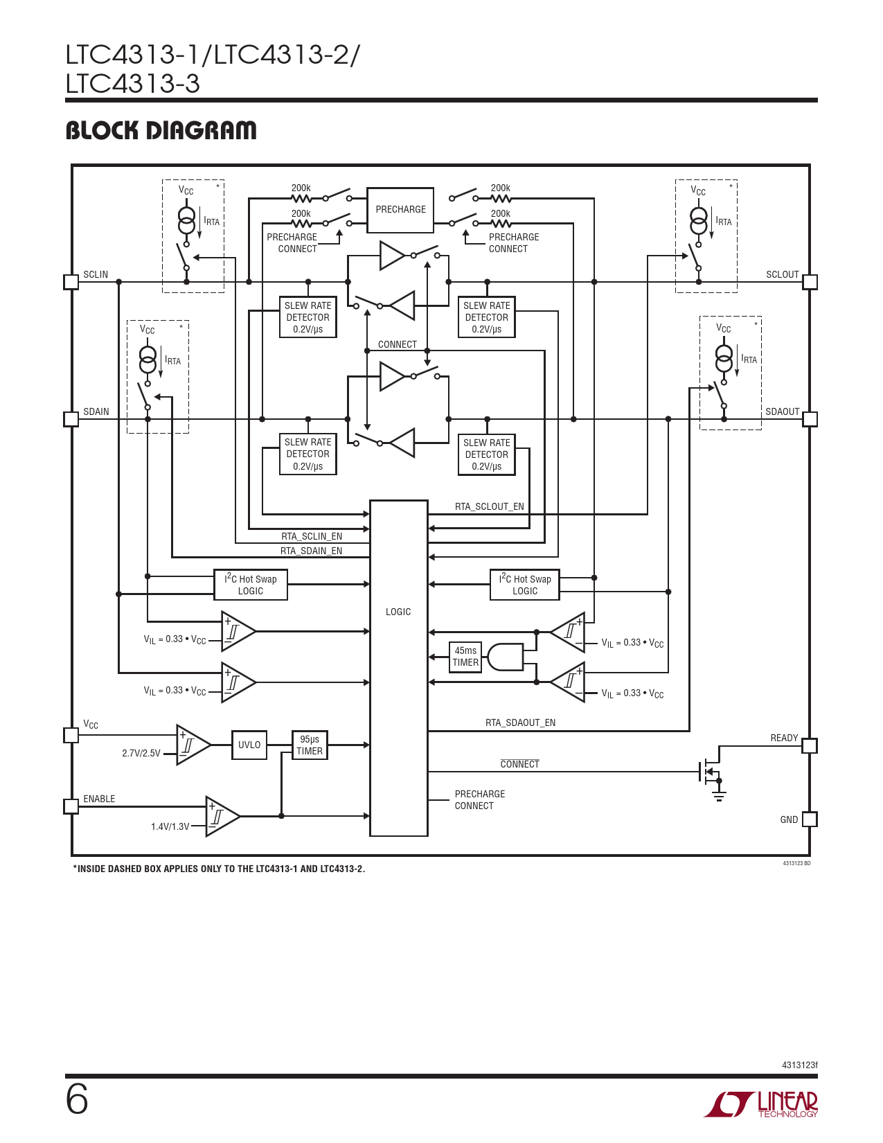
block DiagraM. *INSIDE DASHED BOX APPLIES ONLY TO THE LTC4313-1 AND LTC4313-2

该数据表的模型线
文件文字版本
LTC4313-1/LTC4313-2/ LTC4313-3
block DiagraM
V * 200k 200k CC VCC * PRECHARGE 200k 200k IRTA IRTA PRECHARGE PRECHARGE CONNECT CONNECT SCLIN SCLOUT SLEW RATE SLEW RATE DETECTOR DETECTOR V * CC * 0.2V/µs 0.2V/µs VCC CONNECT IRTA IRTA SDAIN SDAOUT SLEW RATE SLEW RATE DETECTOR DETECTOR 0.2V/µs 0.2V/µs RTA_SCLOUT_EN RTA_SCLIN_EN RTA_SDAIN_EN I2C Hot Swap I2C Hot Swap LOGIC LOGIC LOGIC + + VIL = 0.33 • VCC – – VIL = 0.33 • VCC 45ms + TIMER + VIL = 0.33 • VCC – – VIL = 0.33 • VCC V RTA_SDAOUT_EN CC + READY UVLO 95µs 2.7V/2.5V – TIMER CONNECT ENABLE PRECHARGE + CONNECT GND 1.4V/1.3V – 4313123 BD
*INSIDE DASHED BOX APPLIES ONLY TO THE LTC4313-1 AND LTC4313-2.
4313123f 6 Document Outline Features Applications Description Typical Application Absolute Maximum Ratings Pin Configuration Order Information Electrical Characteristics Typical Performance Characteristics Pin Functions Block Diagram Operation Applications Information Package Description Typical Application Related Parts