数据表
更多
Only-Datasheet.com
关于我们
合作
广告
联络人
en - English
ru - Русский
de - Deutsch
es - Espanol
搜索
数据表
Datasheet MIC4043 (Micrel)
Datasheet MIC4043 (Micrel) - 4
制造商
Micrel
描述
Low-Voltage, Secondary-Side Shunt Regulator
页数 / 页
14
/
4
修订版
11-05-2015
文件格式/大小
PDF
/
1.7 Mb
文件语言
英语
1
...
3
4
5
...
10
下载 PDF
1
...
3
4
5
...
10
该数据表的模型线
MIC4043
MIC4043YM4-TR
文件文字版本
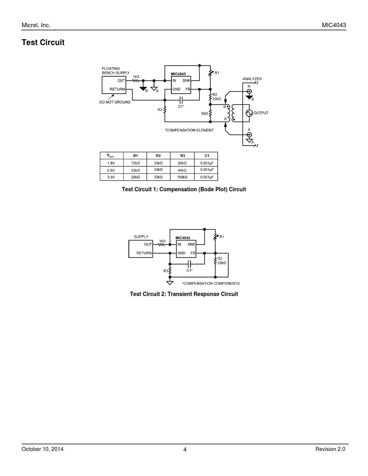
Micrel, Inc. MIC4043 Test Circuit Test Circuit 1: Compensation (Bode Plot) Circuit Test Circuit 2: Transient Response Circuit October 10, 2014 4 Revision 2.0
联络人
隐私政策
更改隐私设置