Datasheet LTC3109 (Analog Devices) - 8
| 制造商 | Analog Devices |
| 描述 | Auto-Polarity, Ultralow Voltage Step-Up Converter and Power Manager |
| 页数 / 页 | 24 / 8 — block DiagraM |
| 文件格式/大小 | PDF / 424 Kb |
| 文件语言 | 英语 |
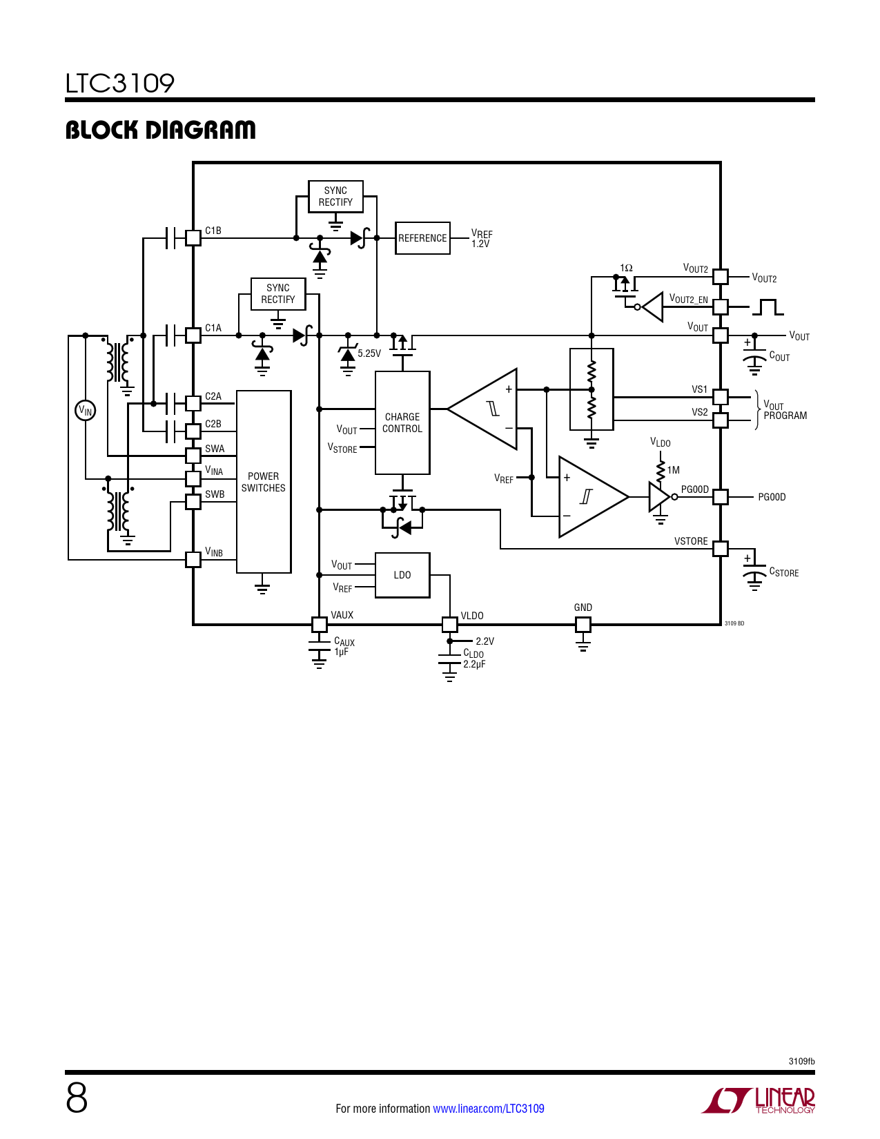
block DiagraM

该数据表的模型线
文件文字版本
LTC3109
block DiagraM
SYNC RECTIFY C1B VREF REFERENCE 1.2V 1Ω VOUT2 VOUT2 SYNC RECTIFY VOUT2_EN C1A VOUT VOUT • • + 5.25V COUT + VS1 C2A VOUT VIN VS2 CHARGE PROGRAM C2B VOUT CONTROL – VLDO SWA VSTORE VINA 1M POWER VREF + • • SWITCHES PG00D SWB PG00D – VSTORE VINB + VOUT LDO CSTORE VREF GND VAUX VLDO 3109 BD CAUX 2.2V 1µF CLDO 2.2µF 3109fb 8 For more information www.linear.com/LTC3109 Document Outline Features Applications Description Typical Application Absolute Maximum Ratings Pin Configuration Order Information Electrical Characteristics Typical Performance Characteristics Pin Functions Block Diagram Operation Applications Information Package Description Typical Application Related Parts