Datasheet LTC3729L-6 (Analog Devices) - 9
| 制造商 | Analog Devices |
| 描述 | PolyPhase, Synchronous Step-Down Switching Regulator |
| 页数 / 页 | 28 / 9 — FU CTIO AL DIAGRA |
| 文件格式/大小 | PDF / 356 Kb |
| 文件语言 | 英语 |
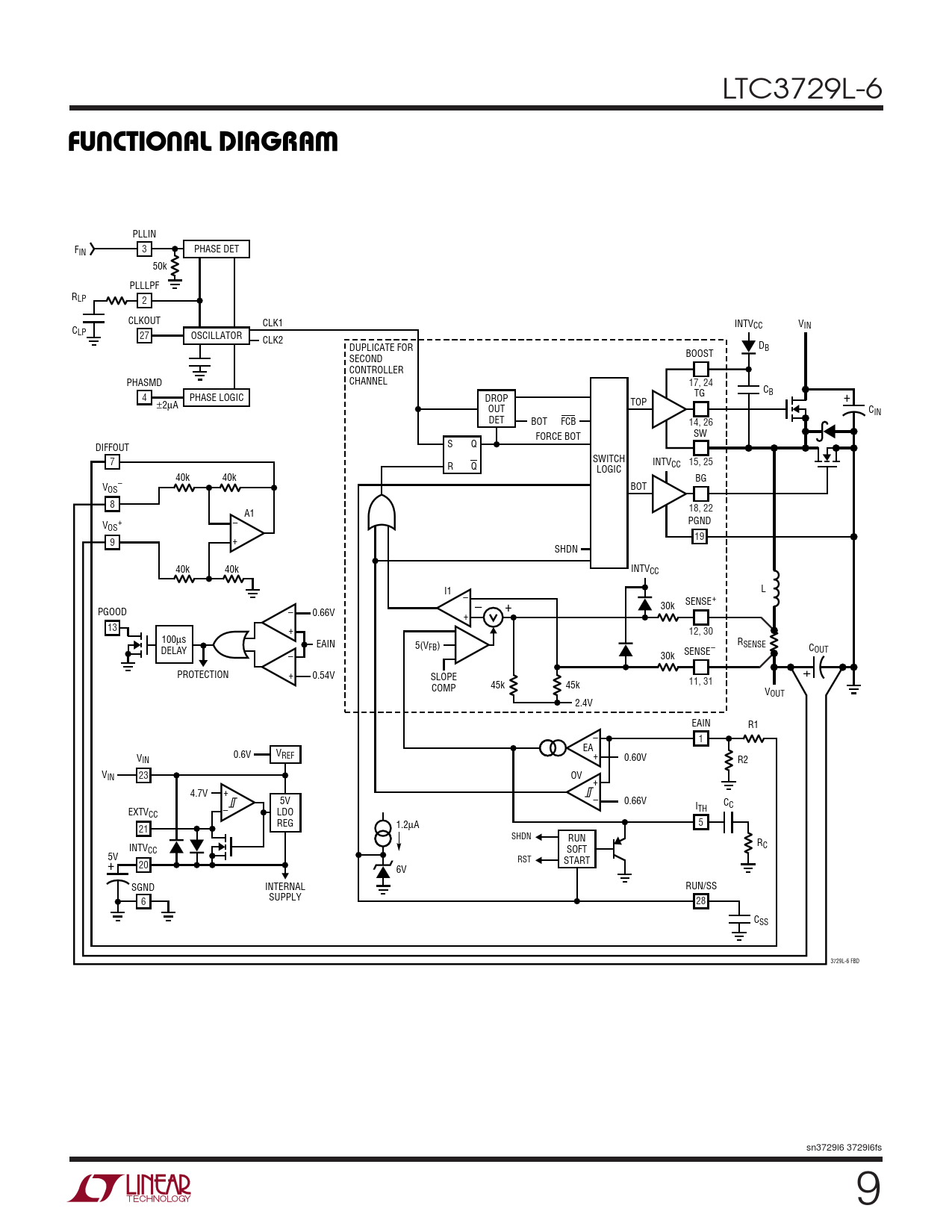
FU CTIO AL DIAGRA

该数据表的模型线
文件文字版本
LTC3729L-6
U U W FU CTIO AL DIAGRA
PLLIN F 3 PHASE DET IN 50k PLLLPF RLP 2 CLKOUT CLK1 INTVCC VIN CLP 27 OSCILLATOR CLK2 D DUPLICATE FOR B BOOST SECOND CONTROLLER PHASMD CHANNEL 17, 24 4 PHASE LOGIC TG CB DROP + ±2µA TOP OUT CIN DET BOT FCB 14, 26 SW FORCE BOT S Q DIFFOUT SWITCH 7 INTVCC R Q 15, 25 LOGIC 40k 40k BG V – BOT OS 8 18, 22 A1 + PGND – VOS 19 9 + SHDN 40k 40k INTVCC I1 L – SENSE+ 30k – + PGOOD – 0.66V + 13 + 12, 30 100µs EAIN 5(V R FB) SENSE DELAY SENSE– COUT – 30k PROTECTION + 0.54V SLOPE + 11, 31 COMP 45k 45k VOUT 2.4V EAIN R1 – 1 EA 0.6V V V REF + IN 0.60V R2 VIN 23 OV + 4.7V + 5V – 0.66V I CC EXTV – TH CC LDO REG 1.2µA 5 21 SHDN RUN R INTV C CC SOFT 5V + RST START 20 6V SGND INTERNAL RUN/SS SUPPLY 6 28 CSS 3729L-6 FBD sn3729l6 3729l6fs 9