Datasheet LTC3704 (Analog Devices) - 7
| 制造商 | Analog Devices |
| 描述 | Wide Input Range, No RSENSE™ Positive-to-Negative DC/DC Controller |
| 页数 / 页 | 28 / 7 — BLOCK DIAGRA |
| 文件格式/大小 | PDF / 333 Kb |
| 文件语言 | 英语 |
BLOCK DIAGRA

该数据表的模型线
文件文字版本
LTC3704
W BLOCK DIAGRA
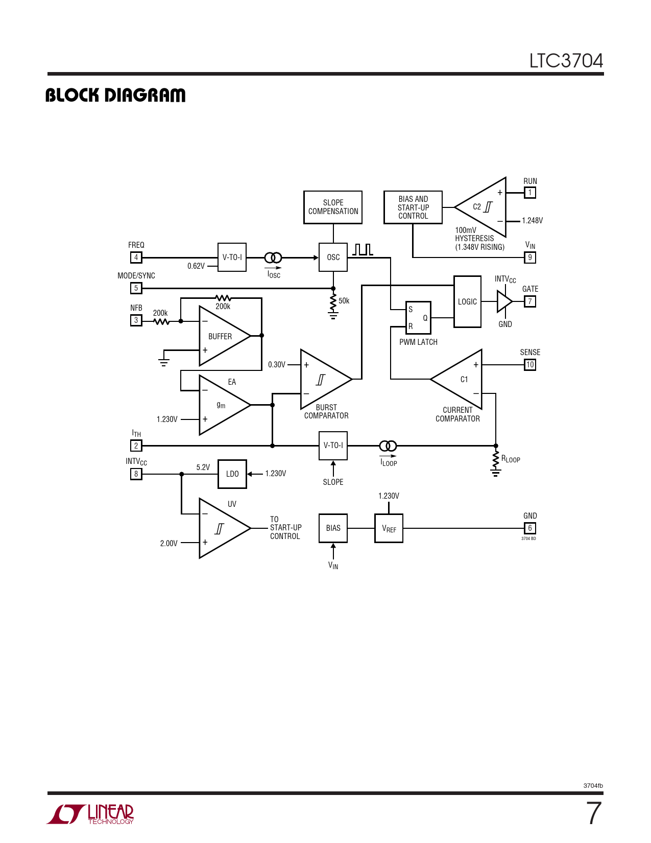
RUN + 1 BIAS AND SLOPE START-UP C2 COMPENSATION CONTROL – 1.248V 100mV HYSTERESIS FREQ VIN (1.348V RISING) 4 V-TO-I OSC 9 0.62V MODE/SYNC IOSC INTVCC 5 GATE 50k LOGIC 7 NFB 200k 200k – S Q 3 R GND BUFFER + PWM LATCH SENSE + 0.30V + 10 – EA C1 – – gm BURST + CURRENT COMPARATOR 1.230V COMPARATOR ITH 2 V-TO-I INTV R CC I LOOP LOOP 5.2V 8 LDO 1.230V SLOPE 1.230V UV – TO GND START-UP BIAS VREF 6 + CONTROL 3704 BD 2.00V VIN 3704fb 7