Datasheet LT1308A, LT1308B (Analog Devices) - 7
| 制造商 | Analog Devices |
| 描述 | Single Cell High Current Micropower 600kHz Boost DC/DC Converter |
| 页数 / 页 | 20 / 7 — BLOCK DIAGRAMS. Figure 2a. LT1308A/LT1308B Block Diagram (SO-8 Package) |
| 文件格式/大小 | PDF / 381 Kb |
| 文件语言 | 英语 |
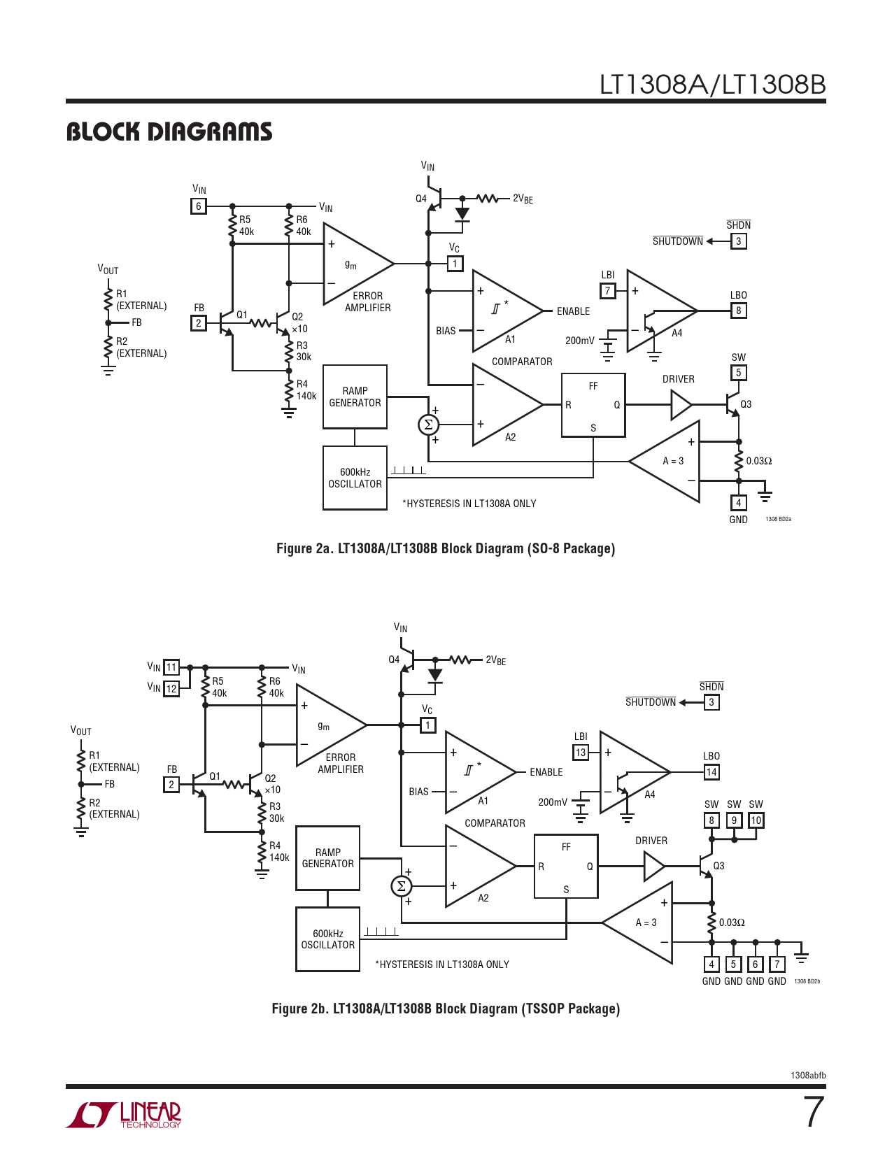
BLOCK DIAGRAMS. Figure 2a. LT1308A/LT1308B Block Diagram (SO-8 Package)

该数据表的模型线
文件文字版本
LT1308A/LT1308B
BLOCK DIAGRAMS
VIN VIN Q4 2VBE 6 VIN R5 R6 SHDN 40k 40k + SHUTDOWN 3 VC gm 1 VOUT LBI – R1 + 7 + ERROR LBO (EXTERNAL) FB AMPLIFIER * Q1 ENABLE 8 Q2 FB 2 ×10 BIAS – – A4 R2 A1 200mV R3 (EXTERNAL) 30k COMPARATOR SW – 5 DRIVER R4 FF RAMP 140k GENERATOR + R Q Q3 + Σ S + A2 + A = 3 0.03Ω 600kHz OSCILLATOR – *HYSTERESIS IN LT1308A ONLY 4 GND 1308 BD2a
Figure 2a. LT1308A/LT1308B Block Diagram (SO-8 Package)
VIN Q4 2VBE VIN 11 VIN R5 R6 VIN 12 SHDN 40k 40k + SHUTDOWN 3 VC gm 1 VOUT LBI – R1 + 13 + ERROR LBO (EXTERNAL) FB AMPLIFIER * Q1 ENABLE 14 Q2 FB 2 ×10 BIAS – – A4 R2 A1 200mV SW SW SW R3 (EXTERNAL) 30k COMPARATOR 8 9 10 – DRIVER R4 FF RAMP 140k GENERATOR + R Q Q3 + Σ S + A2 + A = 3 0.03Ω 600kHz OSCILLATOR – *HYSTERESIS IN LT1308A ONLY 4 5 6 7 GND 1308 BD2b GND GND GND
Figure 2b. LT1308A/LT1308B Block Diagram (TSSOP Package)
1308abfb 7