Datasheet LTC3026-1 (Analog Devices) - 7
| 制造商 | Analog Devices |
| 描述 | 1.5A Low Input Voltage VLDO Linear Regulator |
| 页数 / 页 | 16 / 7 — BLOCK DIAGRAM |
| 文件格式/大小 | PDF / 181 Kb |
| 文件语言 | 英语 |
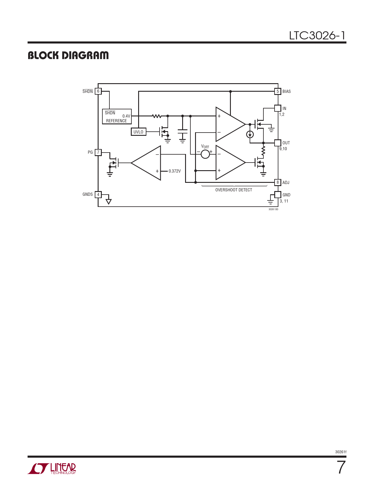
BLOCK DIAGRAM

该数据表的模型线
文件文字版本
LTC3026-1
BLOCK DIAGRAM
SHDN 6 5 BIAS IN SHDN 0.4V + 1,2 REFERENCE UVLO – OUT VOFF 9,10 PG 7 – – + – + 0.372V + 8 ADJ OVERSHOOT DETECT GNDS 4 GND 3, 11 30261 BD 30261f 7