Datasheet LT3085 (Analog Devices) - 19

制造商Analog Devices
描述Adjustable 500mA Single Resistor Low Dropout Regulator
页数 / 页28 / 19 — TYPICAL APPLICATIONS. Adding Shutdown. Low Dropout Voltage LED Driver. …
文件格式/大小PDF / 304 Kb
文件语言英语

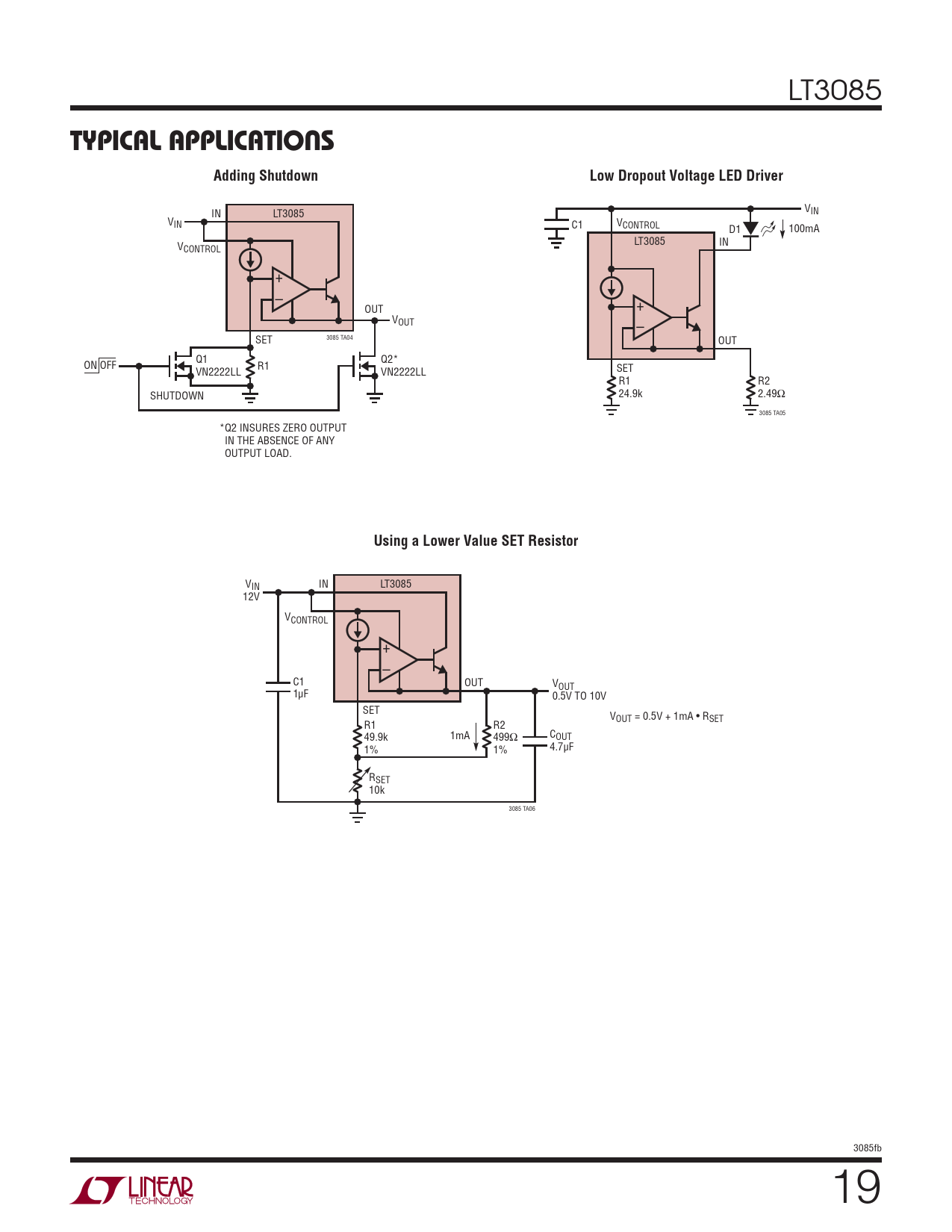
TYPICAL APPLICATIONS. Adding Shutdown. Low Dropout Voltage LED Driver. Using a Lower Value SET Resistor

TYPICAL APPLICATIONS Adding Shutdown Low Dropout Voltage LED Driver Using a Lower Value SET Resistor

该数据表的模型线

文件文字版本

LT3085
TYPICAL APPLICATIONS Adding Shutdown Low Dropout Voltage LED Driver
VIN IN LT3085 VIN C1 VCONTROL D1 100mA LT3085 IN VCONTROL + – OUT + VOUT – 3085 TA04 SET OUT Q1 Q2* ON OFF R1 SET VN2222LL VN2222LL R1 R2 24.9k 2.49Ω SHUTDOWN 3085 TA05 Q2 INSURES ZERO OUTPUT * IN THE ABSENCE OF ANY OUTPUT LOAD.
Using a Lower Value SET Resistor
V IN LT3085 IN 12V VCONTROL + – C1 OUT VOUT 1μF 0.5V TO 10V SET VOUT = 0.5V + 1mA • RSET R1 R2 49.9k 1mA C 499Ω OUT 4.7μF 1% 1% RSET 10k 3085 TA06 3085fb 19 Document Outline FEATURES DESCRIPTION APPLICATIONS TYPICAL APPLICATION ABSOLUTE MAXIMUM RATINGS PIN CONFIGURATION ORDER INFORMATION ELECTRICAL CHARACTERISTICS TYPICAL PERFORMANCE CHARACTERISTICS PIN FUNCTIONS BLOCK DIAGRAM APPLICATIONS INFORMATION TYPICAL APPLICATIONS PACKAGE DESCRIPTION REVISION HISTORY TYPICAL APPLICATION RELATED PARTS