Datasheet LT1083, LT1084, LT1085 (Analog Devices) - 16

制造商Analog Devices
描述7.5A, 5A, 3A Low Dropout Positive Adjustable Regulators
页数 / 页22 / 16 — Typical applicaTion. High Efficiency Regulator with Switching …
文件格式/大小PDF / 293 Kb
文件语言英语

Typical applicaTion. High Efficiency Regulator with Switching Preregulator. 1.2V to 15V Adjustable Regulator

Typical applicaTion High Efficiency Regulator with Switching Preregulator 1.2V to 15V Adjustable Regulator

该数据表的模型线

文件文字版本

LT1083/LT1084/LT1085
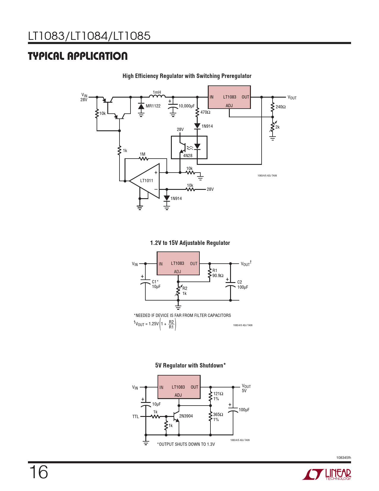
Typical applicaTion High Efficiency Regulator with Switching Preregulator
V 1mH IN IN LT1083 OUT V 28V OUT + MR1122 10,000µF ADJ 240Ω 470Ω 10k 1N914 28V 2k 1k 1M 4N28 + 10k 1083/4/5 ADJ TA06 LT1011 – 10k 28V 1N914
1.2V to 15V Adjustable Regulator
IN OUT V † VIN LT1083 OUT ADJ R1 + 90.9Ω + C1* C2 10µF R2 100µF 1k *NEEDED IF DEVICE IS FAR FROM FILTER CAPACITORS †VOUT = 1.25V 1 + R2 ( ) 1083/4/5 ADJ TA08 R1
5V Regulator with Shutdown*
V V IN IN LT1083 OUT OUT 5V ADJ 121Ω + 1% 10µF + 1k 100µF TTL 2N3904 365Ω 1% 1k 1083/4/5 ADJ TA09 *OUTPUT SHUTS DOWN TO 1.3V 108345fh 16 For more information www.linear.com/LT1083 Document Outline Features Applications Typical Application Description Absolute Maximum Ratings Pin Configuration Order Information Electrical Characteristics Typical Performance Characteristics Block Diagram Applications Information Typical Application Package Description Revision History Typical Applications Related Parts