Datasheet LTC2444, LTC2445, LTC2448, LTC2449 (Analog Devices) - 8

制造商Analog Devices
描述24-Bit High Speed 8-/16-Channel ∆∑ ADCs with Selectable Speed/Resolution
页数 / 页30 / 8 — FuncTional block DiagraM. Figure 1. Functional Block Diagram. TesT circuiT
文件格式/大小PDF / 350 Kb
文件语言英语

FuncTional block DiagraM. Figure 1. Functional Block Diagram. TesT circuiT

FuncTional block DiagraM Figure 1 Functional Block Diagram TesT circuiT

该数据表的模型线

文件文字版本

LTC2444/LTC2445/ LTC2448/LTC2449
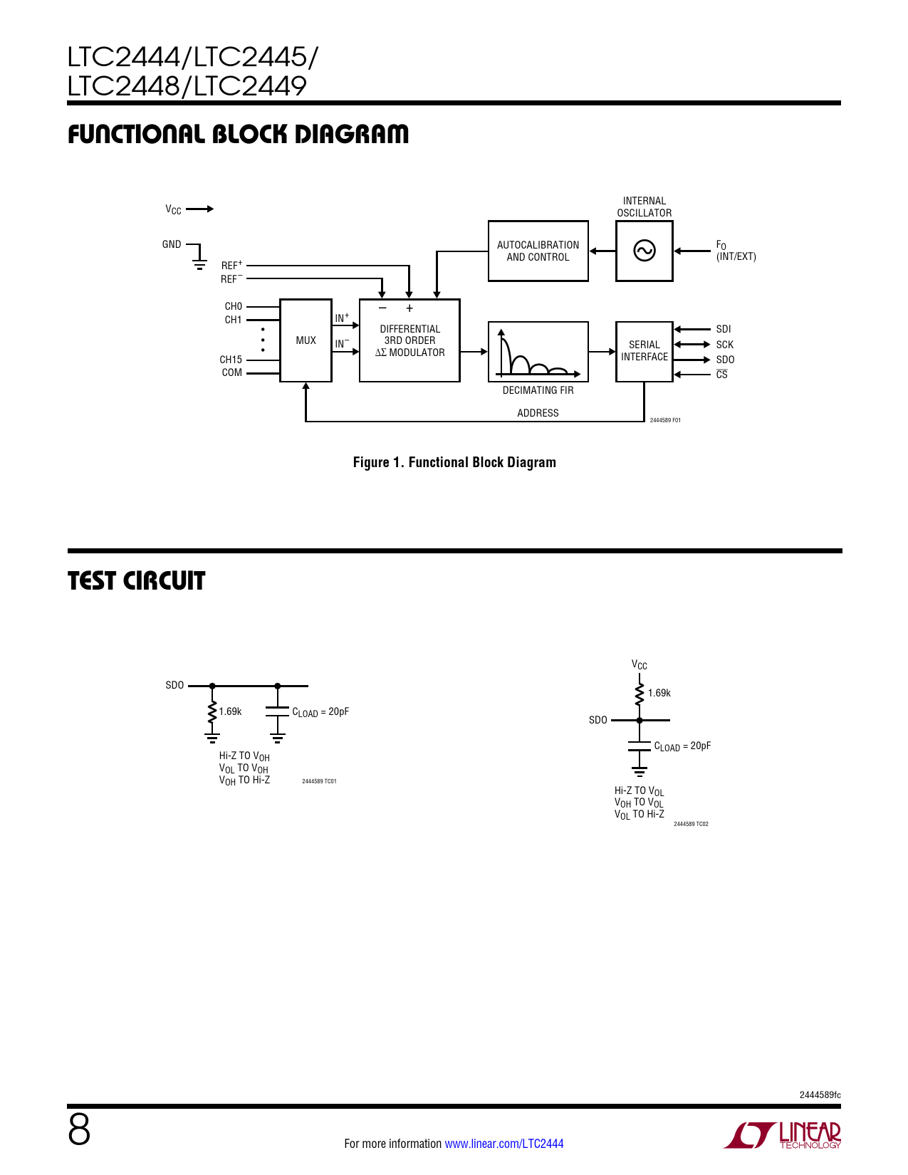
FuncTional block DiagraM
INTERNAL VCC OSCILLATOR GND AUTOCALIBRATION FO AND CONTROL (INT/EXT) REF+ REF– CH0 – + CH1 IN+ • DIFFERENTIAL SDI • MUX 3RD ORDER IN– SERIAL • SCK ∆∑ MODULATOR CH15 INTERFACE SDO COM CS DECIMATING FIR ADDRESS 2444589 F01
Figure 1. Functional Block Diagram TesT circuiT
VCC SDO 1.69k 1.69k CLOAD = 20pF SDO CLOAD = 20pF Hi-Z TO VOH VOL TO VOH V 2444589 TC01 OH TO Hi-Z Hi-Z TO VOL VOH TO VOL VOL TO Hi-Z 2444589 TC02 2444589fc 8 For more information www.linear.com/LTC2444 Document Outline Features Description Applications Typical Application Absolute Maximum Ratings Pin Configuration Order Information Electrical Characteristics Analog Input and Reference Digital Inputs and Digital Outputs Power Requirements Timing Characteristics Pin Functions Functional Block Diagram Test Circuit Applications Information Package Description Revision History Typical Application Related Parts