Datasheet LTC1407-1, LTC1407A-1 (Analog Devices) - 10
| 制造商 | Analog Devices | 
| 描述 | Serial 12-Bit/14-Bit, 3Msps Simultaneous Sampling ADCs with Shutdown | 
| 页数 / 页 | 26 / 10 — BLOCK DIAGRAM | 
| 文件格式/大小 | PDF / 520 Kb | 
| 文件语言 | 英语 | 
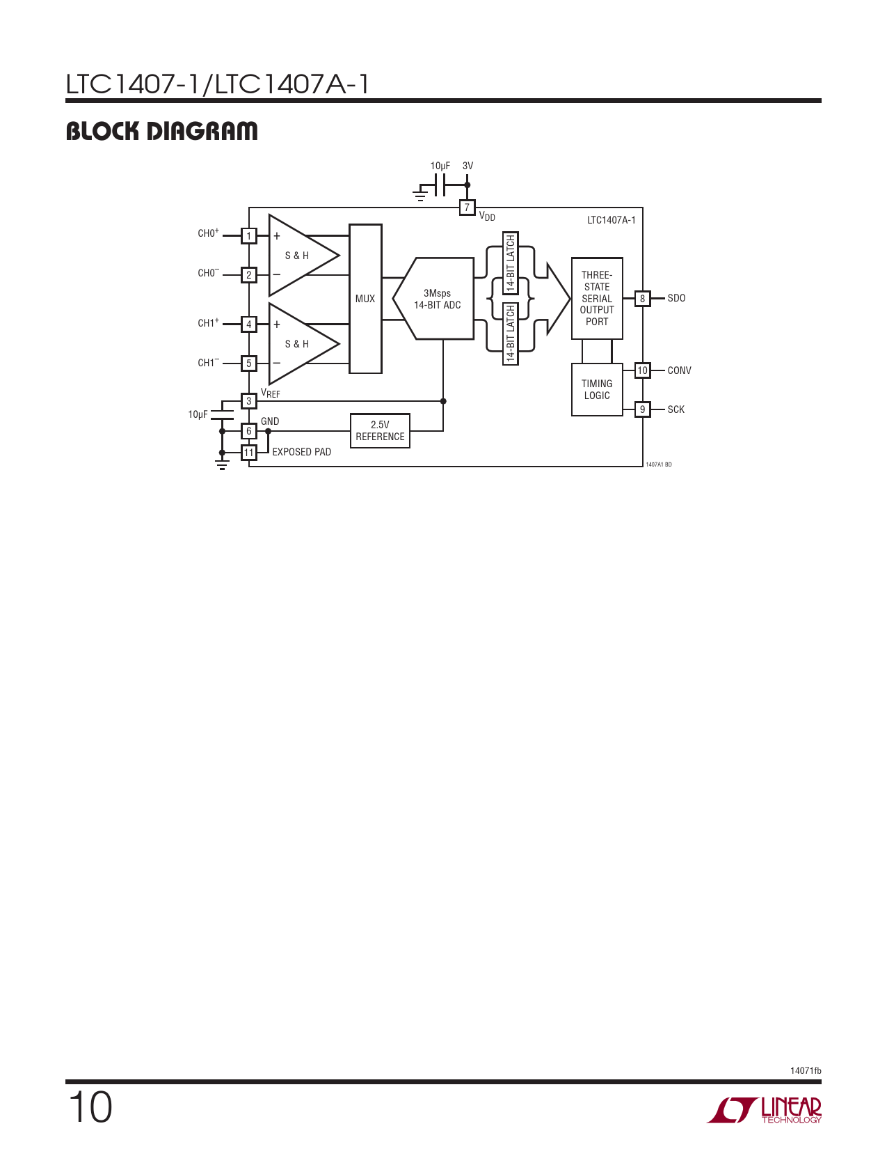
BLOCK DIAGRAM

该数据表的模型线
文件文字版本
LTC1407-1/LTC1407A-1
BLOCK DIAGRAM
10μF 3V 7 VDD LTC1407A-1 CH0+ 1 + TCH S & H CH0– 2 – THREE- 14-BIT LA STATE 3Msps MUX SERIAL 8 SDO 14-BIT ADC OUTPUT CH1+ TCH 4 + PORT S & H CH1– 14-BIT LA 5 – 10 CONV TIMING VREF LOGIC 3 9 SCK 10μF GND 2.5V 6 REFERENCE 11 EXPOSED PAD 1407A1 BD 14071fb 10