Datasheet LTC1292, LTC1297 (Analog Devices) - 7

制造商Analog Devices
描述Single Chip 12-Bit Data Acquisition Systems
页数 / 页24 / 7 — BLOCK I. D AGRA. TEST CIRCUITS. On and Off Channel Leakage Current. …
文件格式/大小PDF / 325 Kb
文件语言英语

BLOCK I. D AGRA. TEST CIRCUITS. On and Off Channel Leakage Current. Voltage Waveforms for DOUT Delay Time, tdDO

BLOCK I D AGRA TEST CIRCUITS On and Off Channel Leakage Current Voltage Waveforms for DOUT Delay Time, tdDO

该数据表的模型线

文件文字版本

LTC1292/LTC1297
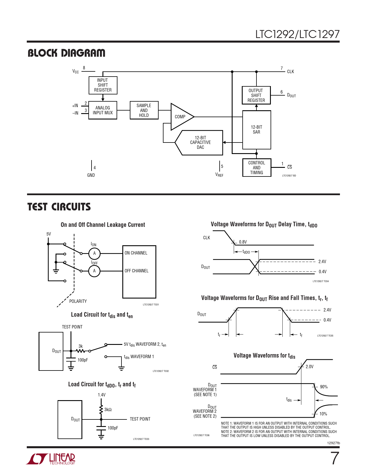
W BLOCK I D AGRA
8 7 VCC CLK INPUT SHIFT REGISTER OUTPUT 6 SHIFT DOUT REGISTER 2 +IN SAMPLE ANALOG 3 AND –IN INPUT MUX HOLD COMP 12-BIT SAR 12-BIT CAPACITIVE DAC CONTROL 1 5 4 AND CS TIMING V GND REF LTC1292/7 BD
TEST CIRCUITS On and Off Channel Leakage Current Voltage Waveforms for DOUT Delay Time, tdDO
5V CLK I 0.8V ON A ON CHANNEL tdDO IOFF 2.4V DOUT A OFF CHANNEL 0.4V LTC1292/7 TC04
Voltage Waveforms for DOUT Rise and Fall Times, tr, tf
POLARITY LTC1292/7 TC01 2.4V
Load Circuit for t
D
dis and ten
OUT 0.4V TEST POINT tr tf LTC1292/7 TC05 5V t 3k dis WAVEFORM 2, ten DOUT t
Voltage Waveforms for t
dis WAVEFORM 1
dis
100pF CS 2.0V LTC1292/7 TC02
Load Circuit for tdDO, tr and tf
DOUT 90% WAVEFORM 1 1.4V (SEE NOTE 1) tdis DOUT 3kΩ WAVEFORM 2 10% (SEE NOTE 2) DOUT TEST POINT NOTE 1: WAVEFORM 1 IS FOR AN OUTPUT WITH INTERNAL CONDITIONS SUCH 100pF THAT THE OUTPUT IS HIGH UNLESS DISABLED BY THE OUTPUT CONTROL. NOTE 2: WAVEFORM 2 IS FOR AN OUTPUT WITH INTERNAL CONDITIONS SUCH LTC1292/7 TC06 THAT THE OUTPUT IS LOW UNLESS DISABLED BY THE OUTPUT CONTROL. LTC1292/7 TC03 12927fb 7