Datasheet OP275 (Analog Devices) - 10

制造商Analog Devices
描述Bipolar/JFET, Audio Dual Op Amp
页数 / 页13 / 10 — OP275. 16V–20V. +15V. 0.1. OUTPUT. (TO SCOPE). 2N4416. DUT. 1/2 OP260AJ. …
修订版C
文件格式/大小PDF / 306 Kb
文件语言英语

OP275. 16V–20V. +15V. 0.1. OUTPUT. (TO SCOPE). 2N4416. DUT. 1/2 OP260AJ. 10k. IC2. 222. 2N2222A. 750. 1N4148. 15k

OP275 16V–20V +15V 0.1 OUTPUT (TO SCOPE) 2N4416 DUT 1/2 OP260AJ 10k IC2 222 2N2222A 750 1N4148 15k

该数据表的模型线

文件文字版本

OP275 OP275 16V–20V + +15V 1k

0.1

F OUTPUT R (TO SCOPE) + V+ L D3 D4 1k

2N4416 DUT 1/2 OP260AJ + V– D1 D2 1

F 0.1

F RF 2k

10k

+ IC2 10k

16V–20V + RG

5V 222

2N2222A 750

1N4148 15k

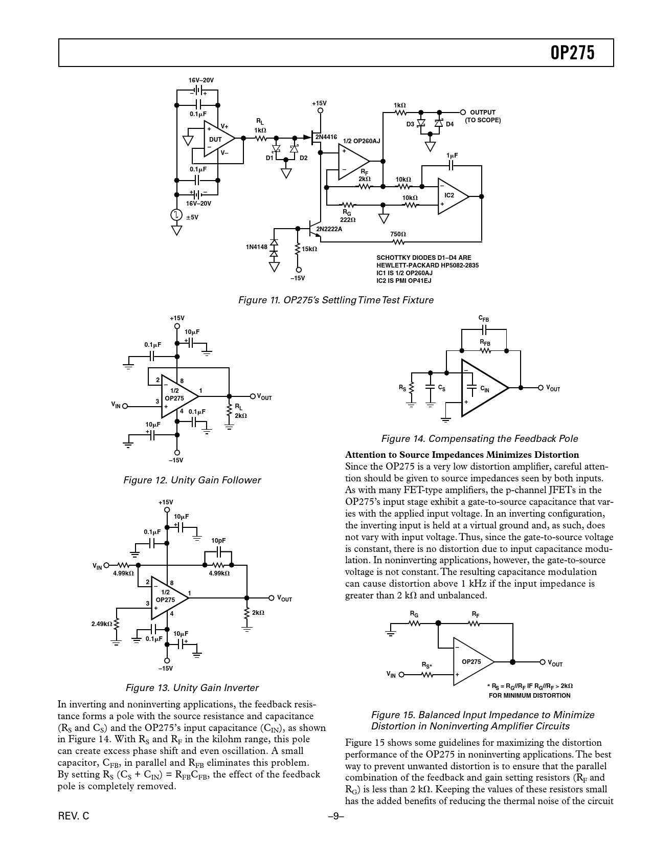
SCHOTTKY DIODES D1–D4 ARE HEWLETT-PACKARD HP5082-2835 IC1 IS 1/2 OP260AJ –15V IC2 IS PMI OP41EJ
Figure 11. OP275’s Settling Time Test Fixture
+15V CFB 10

F + 0.1 R

F FB 2 8 – 1/2 V 1 RS CS CIN OUT V 3 OP275 OUT V + IN + R 4 L 0.1

F 2k

10

F +
Figure 14. Compensating the Feedback Pole
Attention to Source Impedances Minimizes Distortion –15V
Since the OP275 is a very low distortion amplifier, careful atten- Figure 12. Unity Gain Follower tion should be given to source impedances seen by both inputs. As with many FET-type amplifiers, the p-channel JFETs in the
+15V
OP275’s input stage exhibit a gate-to-source capacitance that var-
10
ies with the applied input voltage. In an inverting configuration, 
F +
the inverting input is held at a virtual ground and, as such, does
0.1

F
not vary with input voltage. Thus, since the gate-to-source voltage
10pF
is constant, there is no distortion due to input capacitance modu- lation. In noninverting applications, however, the gate-to-source
VIN 4.99k

4.99k
 voltage is not constant. The resulting capacitance modulation
2 8
can cause distortion above 1 kHz if the input impedance is
1/2 1 V
greater than 2 k and unbalanced.
OP275 OUT 3 + 4 2k

R R G F 2.49k

10

F 0.1

F + OP275 V R –15V OUT S* VIN +
Figure 13. Unity Gain Inverter
* RS = RG//RF IF RG//RF > 2k

FOR MINIMUM DISTORTION
In inverting and noninverting applications, the feedback resis- tance forms a pole with the source resistance and capacitance Figure 15. Balanced Input Impedance to Minimize (RS and CS) and the OP275’s input capacitance (CIN), as shown Distortion in Noninverting Amplifier Circuits in Figure 14. With RS and RF in the kilohm range, this pole Figure 15 shows some guidelines for maximizing the distortion can create excess phase shift and even oscillation. A small performance of the OP275 in noninverting applications. The best capacitor, CFB, in parallel and RFB eliminates this problem. way to prevent unwanted distortion is to ensure that the parallel By setting RS (CS + CIN) = RFBCFB, the effect of the feedback combination of the feedback and gain setting resistors (R pole is completely removed. F and RG) is less than 2 k. Keeping the values of these resistors small has the added benefits of reducing the thermal noise of the circuit –8– REV. C REV. C –9– Document Outline FEATURES APPLICATIONS GENERAL DESCRIPTION PIN CONNECTIONS SPECIFICATIONS ABSOLUTE MAXIMUM RATINGS ORDERING GUIDE Typical Performance Characteristics APPLICATIONS Circuit Protection Total Harmonic Distortion Noise Noise Testing Input Overcurrent Protection Output Voltage Phase Reversal Overload or Overdrive Recovery Measuring Settling Time Driving Capacitive Loads High Speed, Low Noise Differential Line Driver A 3-Pole, 40 kHz Low-Pass Filter OP275 SPICE Model OUTLINE DIMENSIONS Revision History