Datasheet LTC1921 (Analog Devices) - 6
| 制造商 | Analog Devices | 
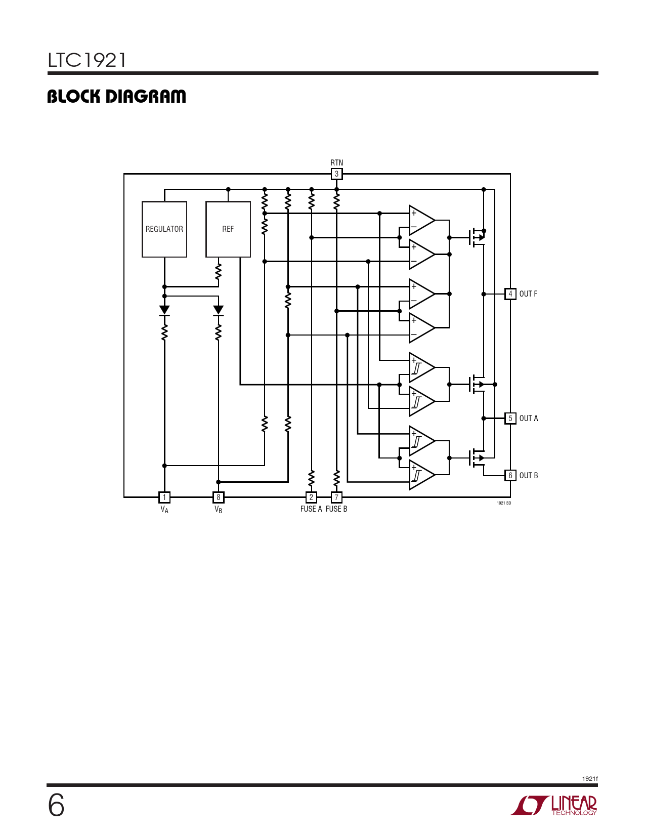
| 描述 | Dual –48V Supply and Fuse Monitor | 
| 页数 / 页 | 12 / 6 — BLOCK DIAGRA | 
| 文件格式/大小 | PDF / 179 Kb | 
| 文件语言 | 英语 | 
BLOCK DIAGRA

该数据表的模型线
文件文字版本
LTC1921
W BLOCK DIAGRA
RTN 3 + REGULATOR REF – + – + 4 OUT F – + – + – + – 5 OUT A + – + 6 OUT B – 1 8 2 7 1921 BD V V FUSE A A B FUSE B 1921f 6