Datasheet LT1720, LT1721 (Analog Devices) - 7
| 制造商 | Analog Devices |
| 描述 | Dual/Quad, 4.5ns, Single Supply 3V/5V Comparators with Rail-to-Rail Outputs |
| 页数 / 页 | 28 / 7 — TEST CIRCUITS. VTRIP Test Circuit. Response Time Test Circuit |
| 文件格式/大小 | PDF / 274 Kb |
| 文件语言 | 英语 |
TEST CIRCUITS. VTRIP Test Circuit. Response Time Test Circuit

该数据表的模型线
文件文字版本
LT1720/LT1721
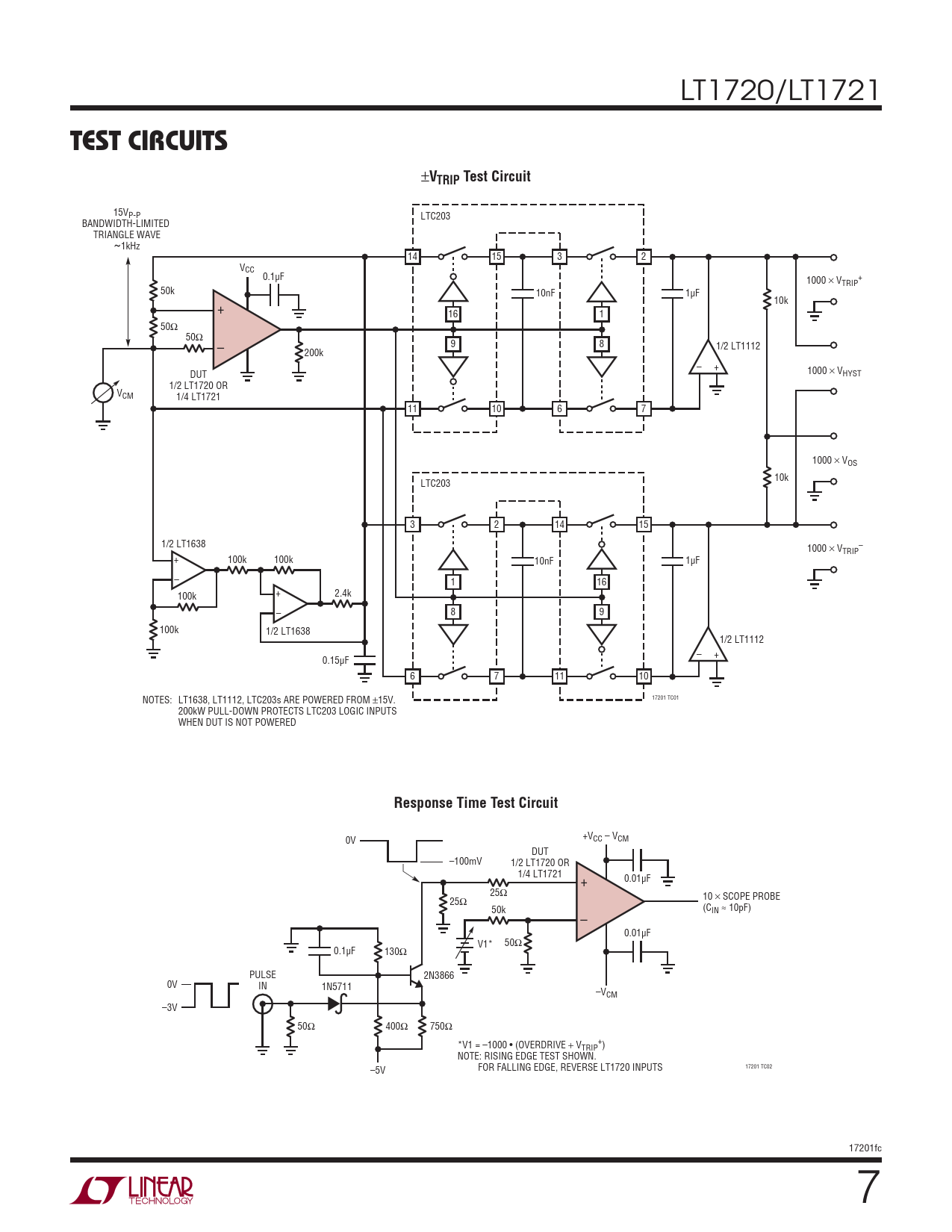
TEST CIRCUITS
±
VTRIP Test Circuit
15VP-P LTC203 BANDWIDTH-LIMITED TRIANGLE WAVE ~1kHz 14 15 3 2 VCC 0.1μF 1000 s V + TRIP 50k 10nF 1μF 10k + 16 1 50Ω 50Ω – 9 8 1/2 LT1112 200k – + DUT 1000 s VHYST 1/2 LT1720 OR VCM 1/4 LT1721 11 10 6 7 1000 s VOS 10k LTC203 3 2 14 15 1/2 LT1638 1000 s V – + TRIP 100k 100k 10nF 1μF – 1 16 + 2.4k 100k – 8 9 100k 1/2 LT1638 1/2 LT1112 – + 0.15μF 6 7 11 10 17201 TC01 NOTES: LT1638, LT1112, LTC203s ARE POWERED FROM p15V. 200kW PULL-DOWN PROTECTS LTC203 LOGIC INPUTS WHEN DUT IS NOT POWERED
Response Time Test Circuit
0V +VCC – VCM DUT –100mV 1/2 LT1720 OR 1/4 LT1721 + 0.01μF 25Ω 10 s SCOPE PROBE 25Ω 50k (CIN ≈ 10pF) – 0.01μF V1* 50Ω 0.1μF 130Ω PULSE 2N3866 0V IN 1N5711 –VCM –3V 50Ω 400Ω 750Ω *V1 = –1000 • (OVERDRIVE V + TRIP ) NOTE: RISING EDGE TEST SHOWN. –5V 17201 TC02 FOR FALLING EDGE, REVERSE LT1720 INPUTS 17201fc 7