Datasheet MOC3061M, MOC3062M, MOC3063M, MOC3162M, MOC3163M (ON Semiconductor) - 8
| 制造商 | ON Semiconductor |
| 描述 | 6-Pin DIP Zero-Cross Triac Driver Optocoupler (600 Volt Peak) |
| 页数 / 页 | 14 / 8 |
| 文件格式/大小 | PDF / 444 Kb |
| 文件语言 | 英语 |

文件文字版本
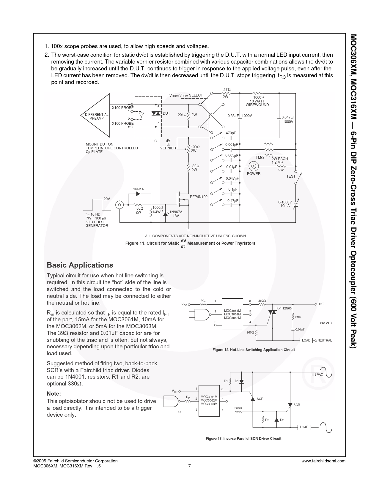
2. The worst-case condition for static dv/dt is established by triggering the D.U.T. with a normal LED input current, then
removing the current. The variable vernier resistor combined with various capacitor combinations allows the dv/dt to
be gradually increased until the D.U.T. continues to trigger in response to the applied voltage pulse, even after the
LED current has been removed. The dv/dt is then decreased until the D.U.T. stops triggering. tRC is measured at this
point and recorded.
27 Ω
VDRM/VRRM SELECT DIFFERENTIAL
PREAMP 1000 Ω
10 WATT
WIREWOUND 2W 6 X100 PROBE
1 DUT 2
X100 PROBE 20k Ω 2W 0.33 μF 1000V 0.047 μF
1000V 4
470pF
dV
dt
VERNIER MOUNT DUT ON
TEMPERATURE CONTROLLED
Cμ PLATE 0.001μF 100 Ω
2W 0.005μF
82 Ω
2W 1 MΩ 2W EACH
1.2 MΩ 0.01μF 2W
POWER TEST 0.047μF
0.1μF 1N914
RFP4N100 20V f = 10 Hz
PW = 100 μs
50 Ω PULSE
GENERATOR 56Ω
2W 1000Ω
1/4W 0.47μF 0-1000V
10mA 1N967A
18V ALL COMPONENTS ARE NON-INDUCTIVE UNLESS SHOWN Figure 11. Circuit for Static dV
Measurement of Power Thyristors
dV
dt Basic Applications
Typical circuit for use when hot line switching is
required. In this circuit the “hot” side of the line is
switched and the load connected to the cold or
neutral side. The load may be connected to either
the neutral or hot line. Rin 1 6 HOT
MOC3061M
MOC3062M
MOC3063M 2 Rin is calculated so that IF is equal to the rated IFT
of the part, 15mA for the MOC3061M, 10mA for
the MOC3062M, or 5mA for the MOC3063M.
The 39Ω resistor and 0.01μF capacitor are for
snubbing of the triac and is often, but not always,
necessary depending upon the particular triac and
load used. 3 FKPF12N60
5
39Ω
4 240 VAC
0.01μF 360Ω
LOAD NEUTRAL Figure 12. Hot-Line Switching Application Circuit Suggested method of firing two, back-to-back
SCR’s with a Fairchild triac driver. Diodes
can be 1N4001; resistors, R1 and R2, are
optional 330Ω.
Note:
This optoisolator should not be used to drive
a load directly. It is intended to be a trigger
device only. 360Ω VCC 115 VAC
R1
1 VCC
Rin 2 3 D1 6
MOC3061M
MOC3062M
MOC3063M SCR 5 SCR
4 360Ω R2 D2
LOAD Figure 13. Inverse-Parallel SCR Driver Circuit ©2005 Fairchild Semiconductor Corporation
MOC306XM, MOC316XM Rev. 1.5 www.fairchildsemi.com
7 MOC306XM, MOC316XM — 6-Pin DIP Zero-Cross Triac Driver Optocoupler (600 Volt Peak) 1. 100x scope probes are used, to allow high speeds and voltages.