Datasheet TCST1230 (Vishay) - 5

制造商Vishay
描述Transmissive Optical Sensor With Phototransistor Output
页数 / 页6 / 5 — TCST1230. PACKAGE DIMENSIONS. TUBE DIMENSIONS
文件格式/大小PDF / 103 Kb
文件语言英语

TCST1230. PACKAGE DIMENSIONS. TUBE DIMENSIONS

TCST1230 PACKAGE DIMENSIONS TUBE DIMENSIONS

该数据表的模型线

文件文字版本

TCST1230
www.vishay.com Vishay Semiconductors
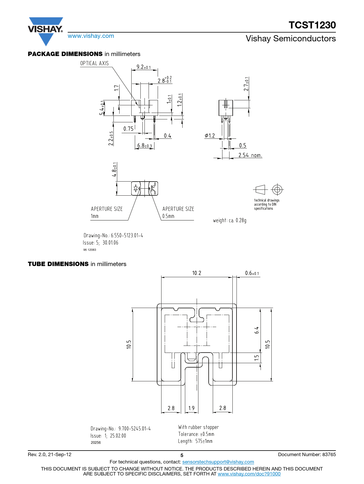
PACKAGE DIMENSIONS
in millimeters 96 12083
TUBE DIMENSIONS
in millimeters 20256 Rev. 2.0, 21-Sep-12
5
Document Number: 83765 For technical questions, contact: sensorstechsupport@vishay.com THIS DOCUMENT IS SUBJECT TO CHANGE WITHOUT NOTICE. THE PRODUCTS DESCRIBED HEREIN AND THIS DOCUMENT ARE SUBJECT TO SPECIFIC DISCLAIMERS, SET FORTH AT www.vishay.com/doc?91000