Datasheet ADG736 (Analog Devices) - 9
| 制造商 | Analog Devices |
| 描述 | CMOS Low Voltage 2.5 Ω Dual SPDT Switch |
| 页数 / 页 | 12 / 9 — Data Sheet. ADG736. TEST CIRCUITS. IDS. IS (OFF). ID (ON). ON = V1/IDS. … |
| 文件格式/大小 | PDF / 249 Kb |
| 文件语言 | 英语 |
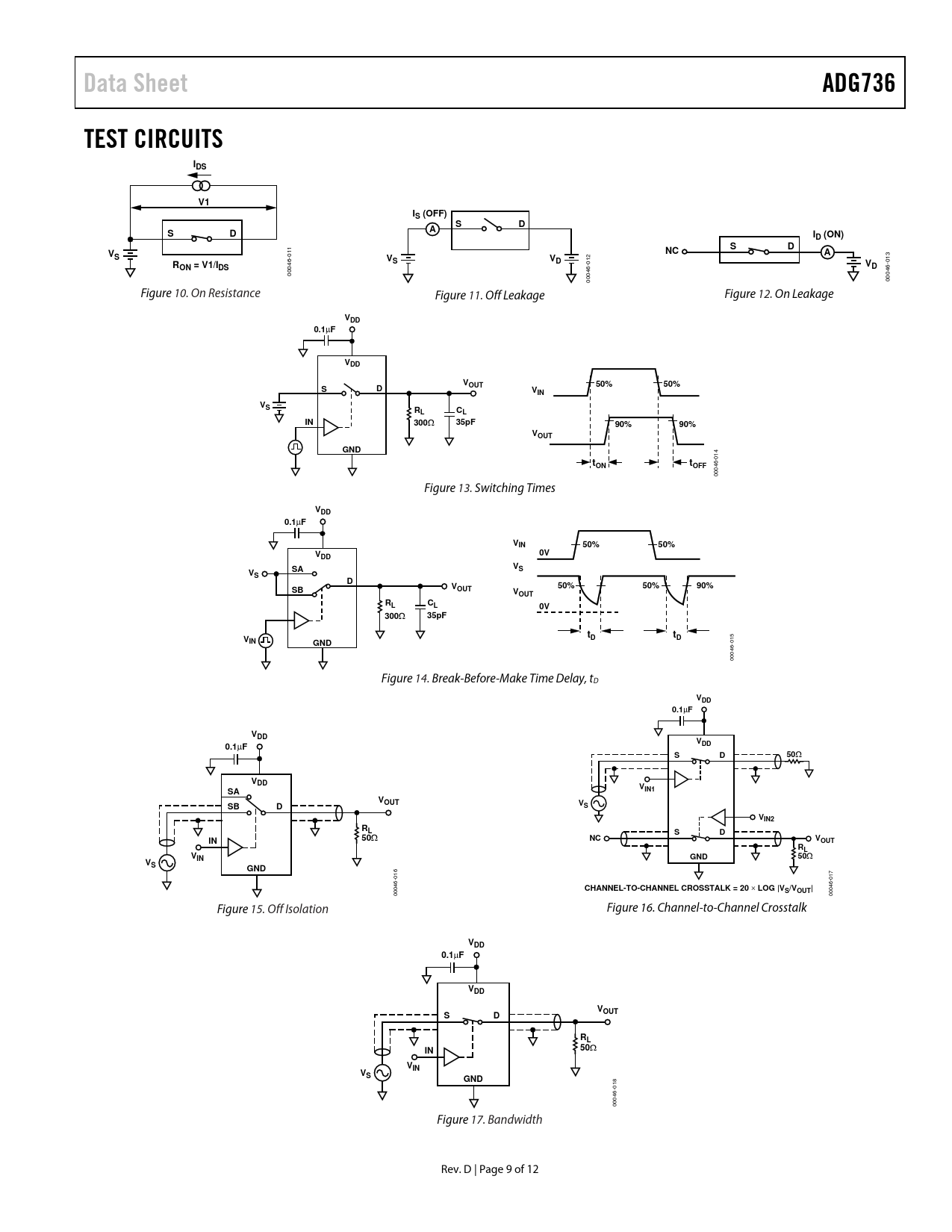
Data Sheet. ADG736. TEST CIRCUITS. IDS. IS (OFF). ID (ON). ON = V1/IDS. VDD. 0.1. 50%. OUT. VIN. 300. 35pF. 90%. VOUT. GND. tON. tOFF. IN1. VIN2

该数据表的模型线
文件文字版本
Data Sheet ADG736 TEST CIRCUITS IDS V1 IS (OFF) S D S D A ID (ON)
1
S D V NC A S
01 6-
V R S VD
012
V ON = V1/IDS
04
D
00 00046- 00046-013 Figure 10. On Resistance Figure 11. Off Leakage Figure 12. On Leakage
VDD 0.1
F VDD V 50% 50% S D OUT VIN VS RL CL IN 300 35pF 90% 90% VOUT GND
014
tON tOFF
00046- Figure 13. Switching Times
VDD 0.1
F VIN 50% 50% V 0V DD V SA S VS D V 50% 50% OUT 90% SB VOUT RL CL 0V 300 35pF tD tD VIN GND
015 00046- Figure 14. Break-Before-Make Time Delay, tD
VDD 0.1
F VDD V 0.1
F DD S D 50 VDD V SA IN1 VOUT SB D VS VIN2 RL S D 50 IN NC VOUT RL VIN GND 50 VS GND
016
CHANNEL-TO-CHANNEL CROSSTALK = 20
LOG |VS/VOUT|
00046- 00046-017 Figure 15. Off Isolation Figure 16. Channel-to-Channel Crosstalk
VDD 0.1
F VDD VOUT S D RL 50 IN VIN VS GND
00046-018 Figure 17. Bandwidth Rev. D | Page 9 of 12 Document Outline Features Applications Functional Block Diagram General Description Product Highlights Revision History Specifications Absolute Maximum Ratings ESD Caution Pin Configuration and Function Descriptions Typical Performance Characteristics Test Circuits Terminology Applications Information Outline Dimensions Ordering Guide Automotive Products