Datasheet TP5000 (Top Power ASIC) - 7
| 制造商 | Top Power ASIC |
| 描述 | 2A switching 4.2V lithium battery / 3.6V LiFePO4 Charger |
| 页数 / 页 | 8 / 7 — 南京拓微集成电路有限公司. NanJing. Top. Power. ASIC. Corp. The. TP5000. other. … |
| 文件格式/大小 | PDF / 310 Kb |
| 文件语言 | 英语 |
南京拓微集成电路有限公司. NanJing. Top. Power. ASIC. Corp. The. TP5000. other. application. circuit. Figure. 4. TP5000. 4.2V. lithium-ion. battery. battery

该数据表的模型线
文件文字版本
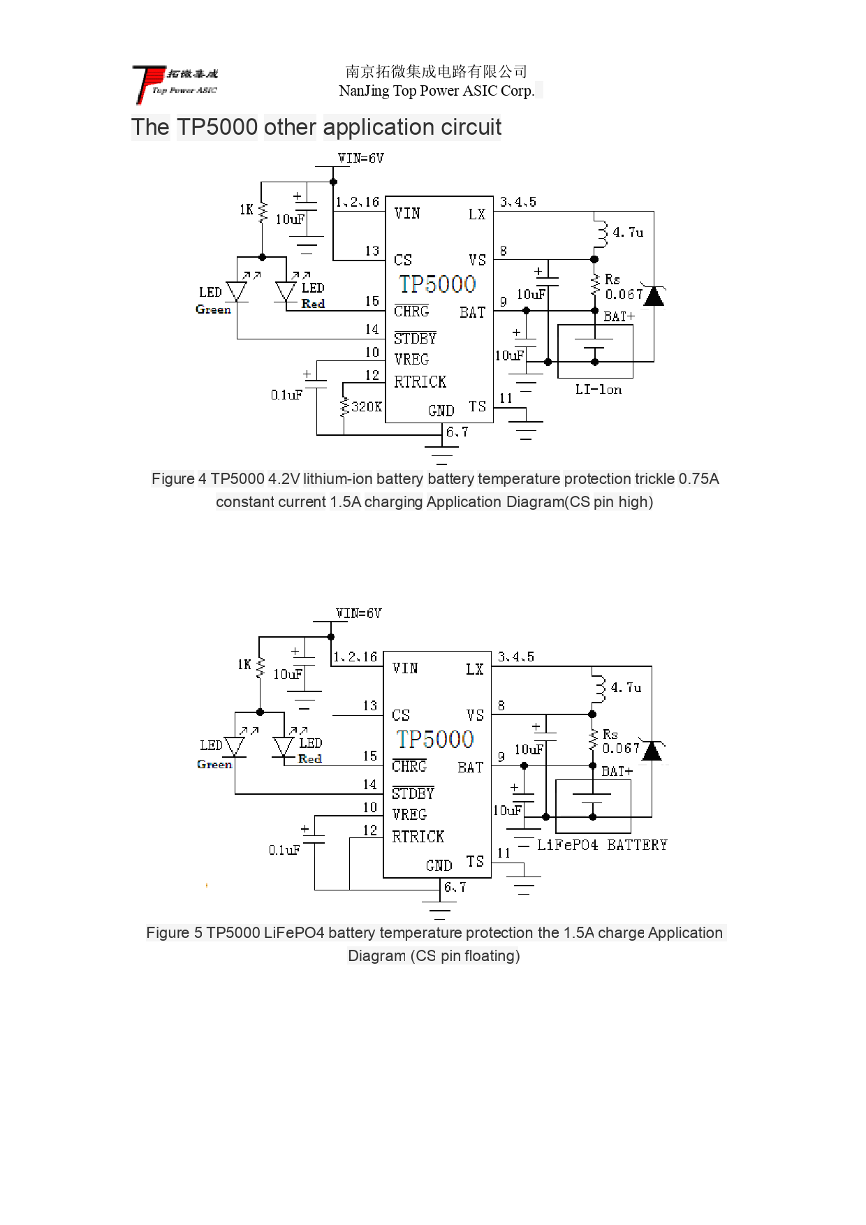
南京拓微集成电路有限公司 NanJing Top Power ASIC Corp. The TP5000 other application circuit Figure 4 TP5000 4.2V lithium-ion battery battery temperature protection trickle 0.75A constant current 1.5A charging Application Diagram(CS pin high) Figure 5 TP5000 LiFePO4 battery temperature protection the 1.5A charge Application Diagram (CS pin floating)