Datasheet XC6237 (Torex) - 2

制造商Torex
描述Ultra-Low Supply Current 0.6μA High Speed LDO Voltage Regulators
页数 / 页27 / 2 — XC6237 Series
文件格式/大小PDF / 1.3 Mb
文件语言英语

XC6237 Series

XC6237 Series

该数据表的模型线

XC6237

文件文字版本

XC6237 Series
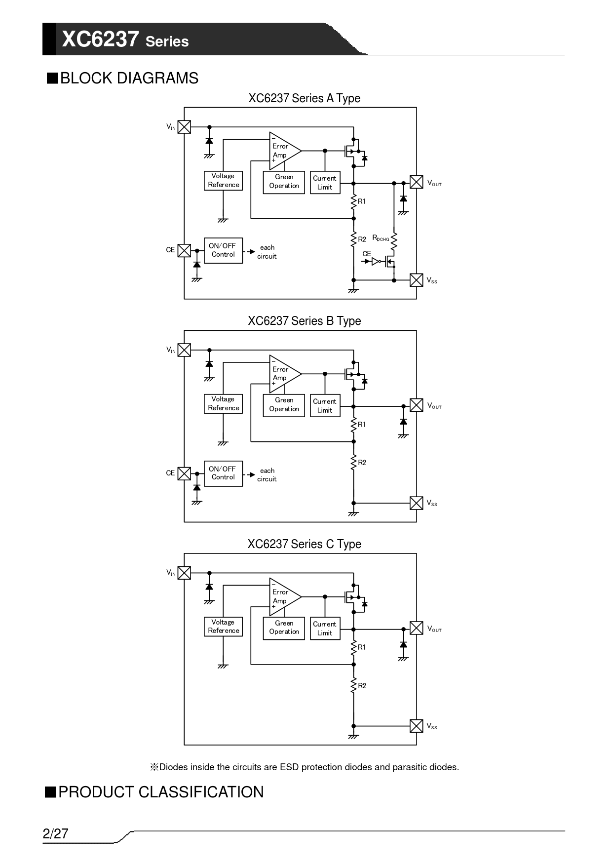
■BLOCK DIAGRAMS XC6237 Series A Type VIN -Error Amp + Voltage Green Current Reference V Operation Limit O UT R1 R2 RDCHG ON/OFF each CE Control circuit CE VSS XC6237 Series B Type VIN -Error Amp + Voltage Green Current Reference V Operation Limit O UT R1 R2 ON/OFF each CE Control circuit VSS XC6237 Series C Type VIN -Error Amp + Voltage Green Current Reference V Operation Limit O UT R1 R2 VSS ※Diodes inside the circuits are ESD protection diodes and parasitic diodes. ■PRODUCT CLASSIFICATION 2/27 Document Outline XC6237 (2) XC6237_ETR03100-001 XC6237 XC6237_ETR03100-001