Datasheet ACS714 (Allegro) - 4

制造商Allegro
描述Automotive Grade, Fully Integrated, Hall Effect-Based Linear Current Sensor IC with 2.1 kVRMS Voltage Isolation and a Low-Resistance Current Conductor
页数 / 页19 / 4 — Automotive Grade, Fully Integrated, Hall-Effect-Based Linear Current …
文件格式/大小PDF / 1.2 Mb
文件语言英语

Automotive Grade, Fully Integrated, Hall-Effect-Based Linear Current Sensor IC. ACS714

Automotive Grade, Fully Integrated, Hall-Effect-Based Linear Current Sensor IC ACS714

该数据表的模型线

文件文字版本

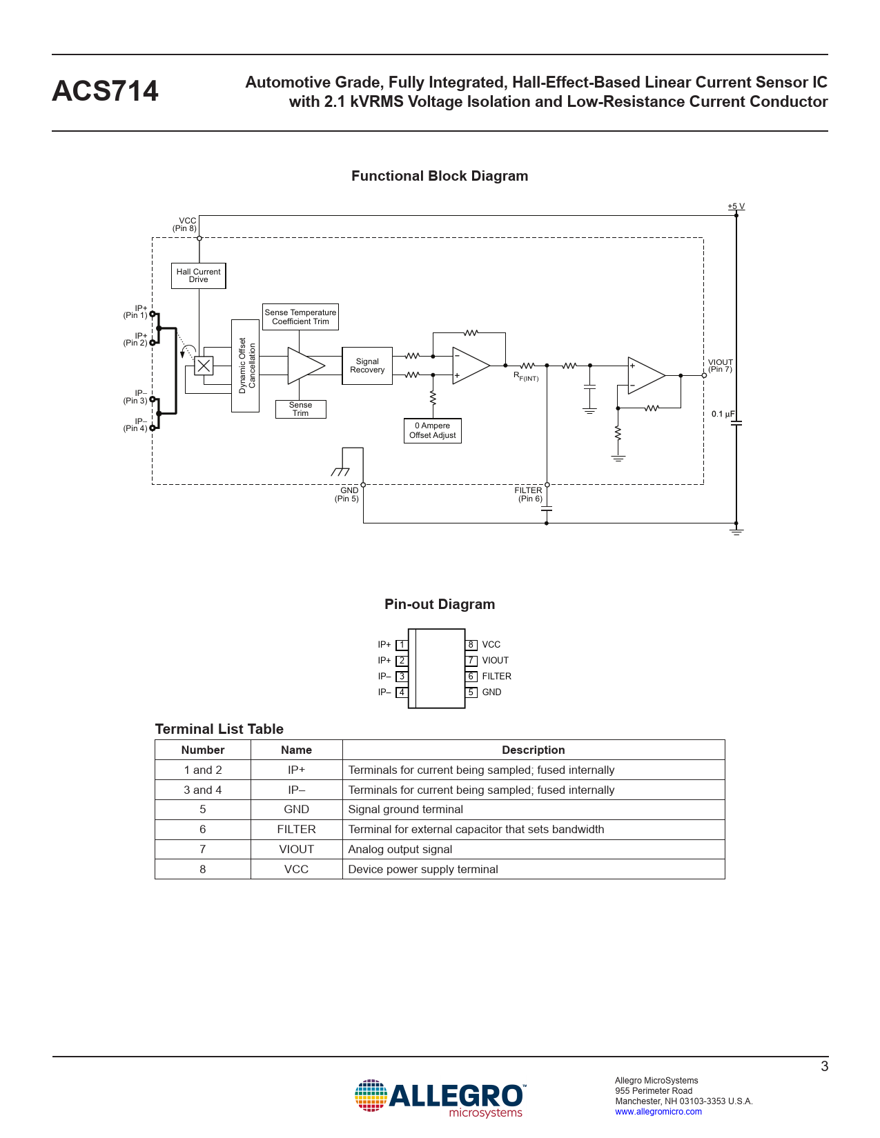
Automotive Grade, Fully Integrated, Hall-Effect-Based Linear Current Sensor IC ACS714 with 2.1 kVRMS Voltage Isolation and Low-Resistance Current Conductor Functional Block Diagram
+5 V VCC (Pin 8) Hall Current Drive IP+ (Pin 1) Sense Temperature Coefficient Trim IP+ (Pin 2) fset Signal VIOUT Recovery (Pin 7) RF(INT) Dynamic Of Cancellation IP− (Pin 3) Sense Trim IP− (Pin 4) 0 Ampere Offset Adjust GND FILTER (Pin 5) (Pin 6)
Pin-out Diagram
IP+ 1 8 VCC IP+ 2 7 VIOUT IP– 3 6 FILTER IP– 4 5 GND
Terminal List Table Number Name Description
1 and 2 IP+ Terminals for current being sampled; fused internally 3 and 4 IP– Terminals for current being sampled; fused internally 5 GND Signal ground terminal 6 FILTER Terminal for external capacitor that sets bandwidth 7 VIOUT Analog output signal 8 VCC Device power supply terminal 3 Allegro MicroSystems 955 Perimeter Road Manchester, NH 03103-3353 U.S.A. www.allegromicro.com